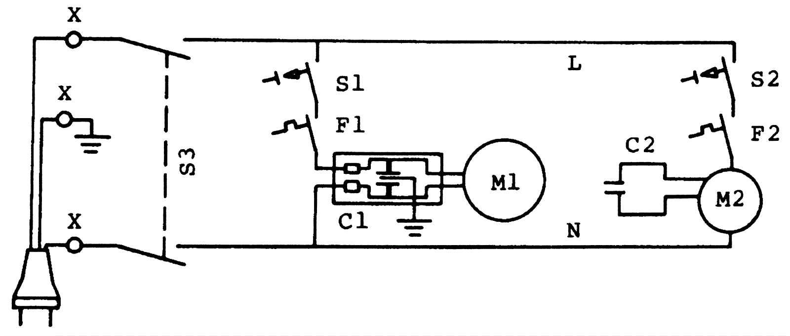
230V Wiring Diagram
Click to enlarge