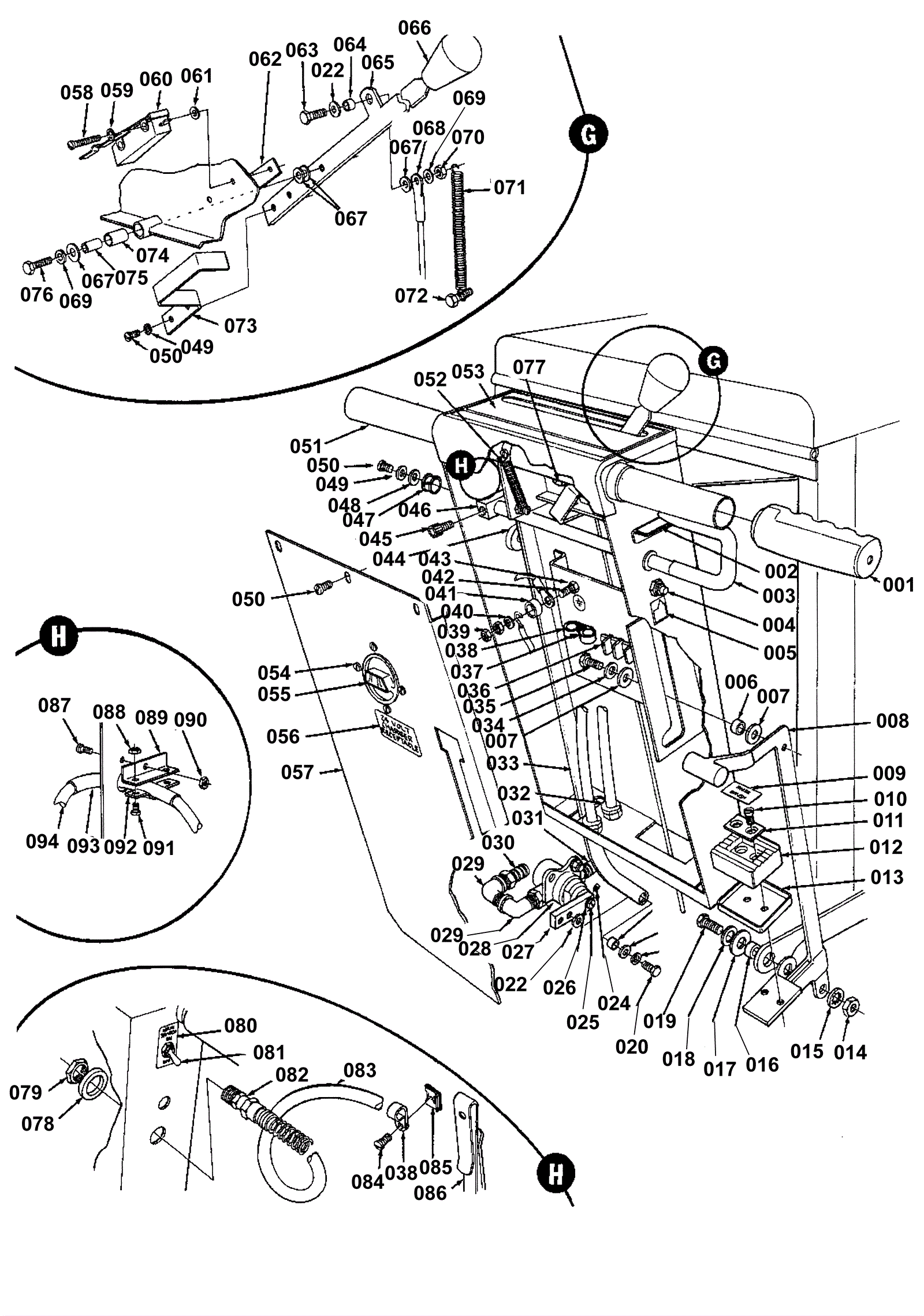
Control Handle Assembly
Click to enlarge