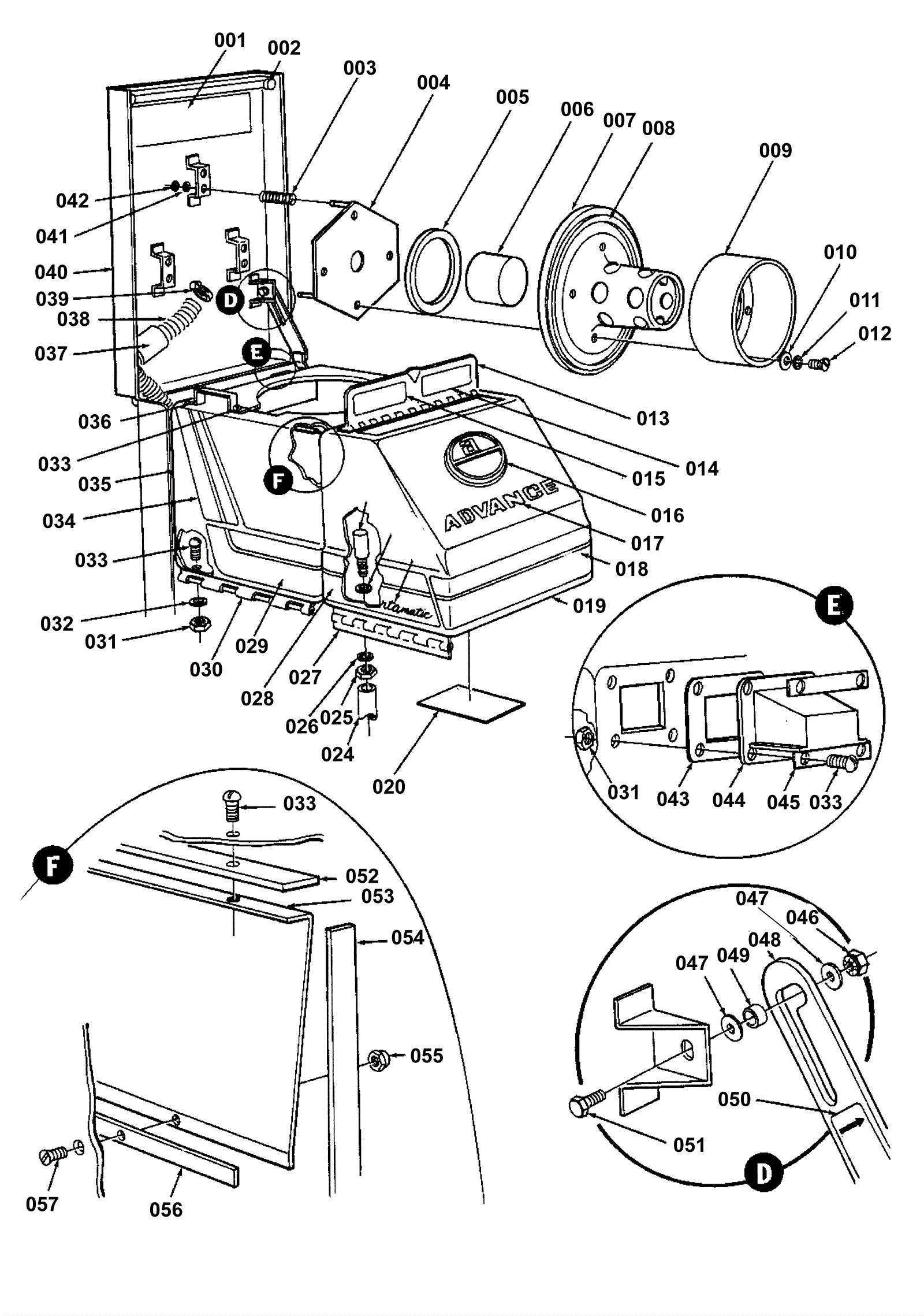
Tank Assemblies
Click to enlarge
#
Part
Description
Price
Req
Notes
Availability
0.9835
272-5288
Solution drain kit includes filter (OBSOLETE)
$68.64
usually ships 1-5 days