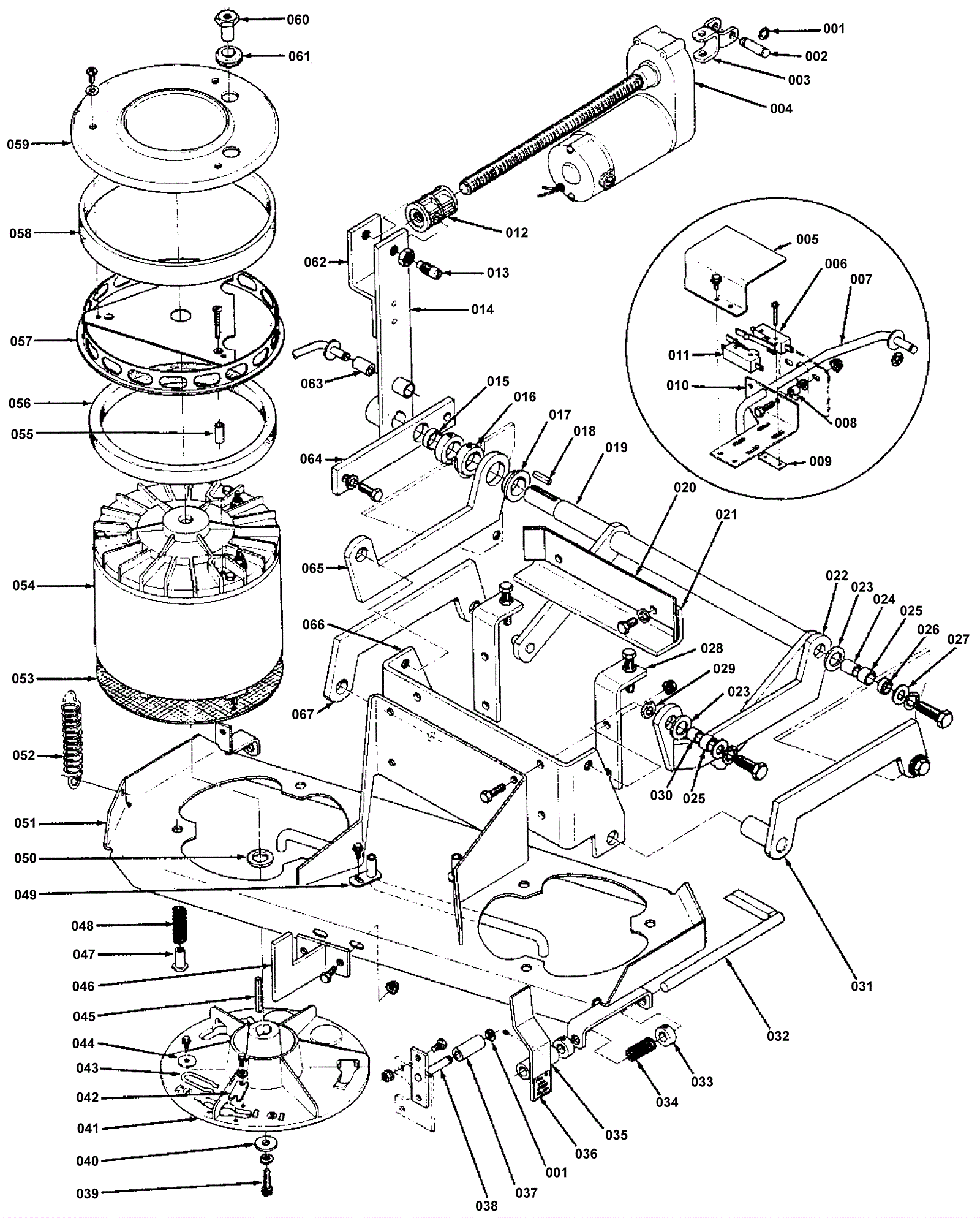
Brush Drive System after SN065189
Click to enlarge