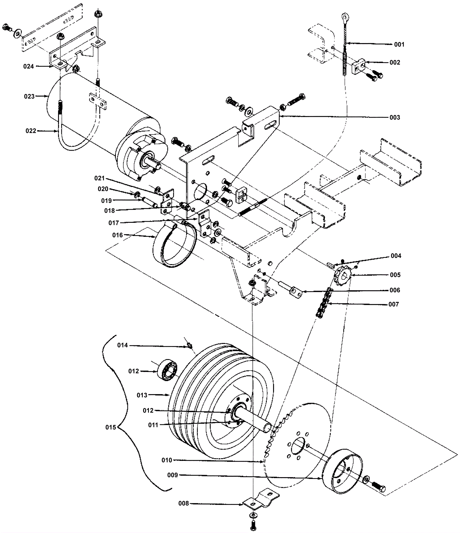
Traction Drive Assembly after SN065189
Click to enlarge