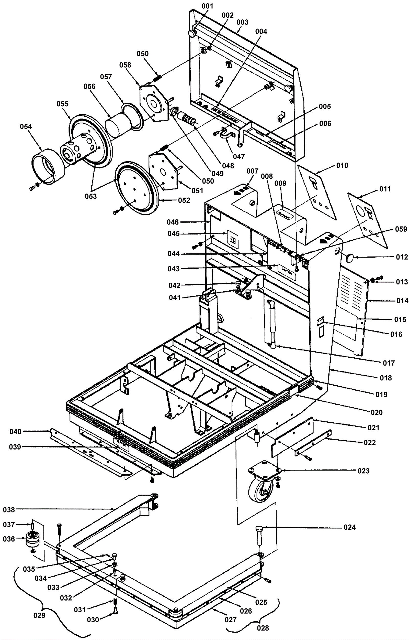
Chassis and Hood after SN065189
Click to enlarge