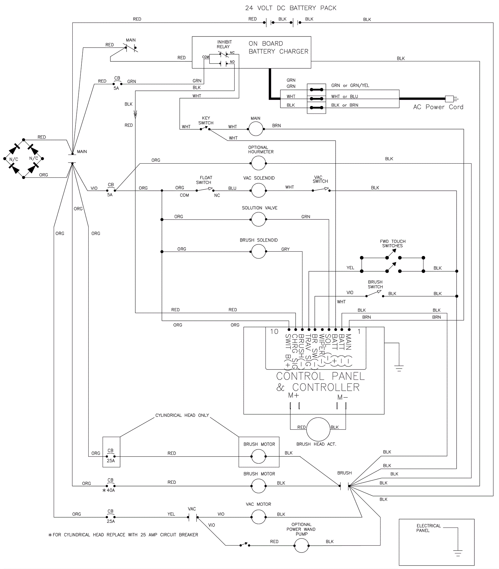
Electrical Schematic Using Battery Charger 40925A
Click to enlarge