# | Part | Description | Price | Req | Notes | Availability |
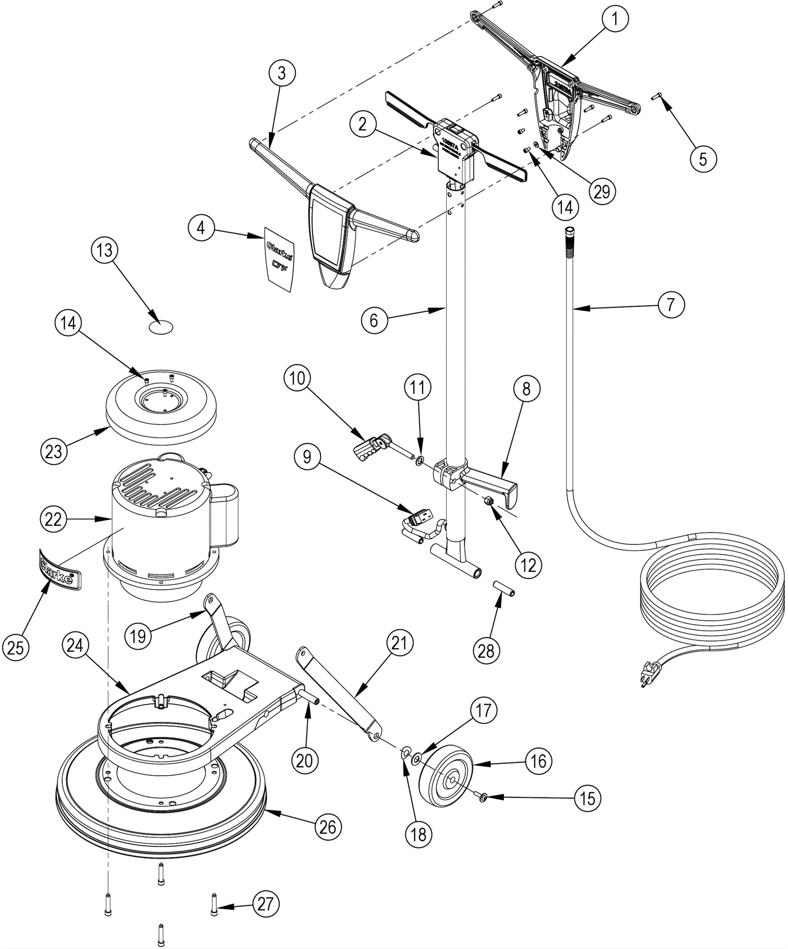
1 |
270-0145
|
Rear handle |
$151.35
|
1 |
|
ships same day |
2 |
270-0077
|
Switch assembly |
$134.94
|
1 |
|
usually ships 12-15 days |
3 |
270-0143
|
Front handle |
$105.70
|
1 |
|
ships same day |
4 |
163-0201
|
Handle decal (OBSOLETE) |
$7.25
|
1 |
|
usually ships 12-15 days |
5 |
999-1275
|
Screw 10-32 x 3/4 hex head stainless steel |
$1.23
|
6 |
|
ships same day |
6 |
170-7800
|
Handle tube |
$73.43
|
1 |
|
usually ships 12-15 days |
7a |
163-0202
|
14/3 power cord 50 foot |
$295.14
|
1 |
(OEM) |
usually ships 13-18 days |
7b |
991-5005
|
14/3 replacement power cord 50 foot (yellow) |
$108.51
|
1 |
(NON-OEM) (does not include strain relief) |
ships same day |
7c |
172-1561
|
Strain relief |
$33.48
|
1 |
|
ships same day |
7d |
170-6013
|
1/4 terminal |
$2.42
|
2 |
|
usually ships 1-5 days |
8 |
170-1517
|
Handle clamp |
$96.31
|
1 |
|
ships same day |
9 |
163-0203
|
Interconnect cord |
$36.71
|
1 |
|
usually ships 12-15 days |
10a |
170-1267
|
Cam assembly with grip, bolt and locking lever |
$19.89
|
1 |
|
ships same day |
11a |
170-1267
|
Cam assembly with grip, bolt and locking lever |
$19.89
|
1 |
|
ships same day |
11b |
170-1267
|
Cam assembly with grip, bolt and locking lever |
$19.89
|
1 |
|
ships same day |
11c |
163-0205
|
Coiled pin |
$1.21
|
1 |
|
usually ships 12-15 days |
11 |
170-5522
|
Wear washer |
$3.63
|
1 |
|
ships same day |
12 |
999-0188
|
Nut 3/8-16 nylon insert lock zinc plated |
$0.99
|
1 |
|
ships same day |
13a |
163-0214
|
CFP 2000 decal |
$9.13
|
1 |
|
usually ships 1-5 days |
13b |
370-3186
|
LABEL CFP-2000 230/50 (OBSOLETE) |
$14.41
|
1 |
|
usually ships 13-18 days |
14 |
999-1276
|
Screw 10-32 x 3/8 hex head stainless steel |
$0.99
|
5 |
|
ships same day |
15 |
272-8200
|
Button head screw |
$2.63
|
2 |
|
ships same day |
16 |
172-3050
|
5 inch wheel |
$31.94
|
2 |
|
ships same day |
17 |
999-0114
|
Washer 1/2 SAE flat |
$0.99
|
2 |
|
ships same day |
18 |
272-8202
|
Bowed washer |
$1.94
|
2 |
|
usually ships 12-15 days |
19 |
170-7802
|
Right linkage arm |
$19.97
|
1 |
|
usually ships 12-15 days |
20 |
163-0217
|
Axle |
$15.33
|
1 |
|
usually ships 12-15 days |
21 |
170-7797
|
Left linkage arm |
$20.17
|
1 |
|
usually ships 12-15 days |
22 |
372-1162
|
Motor |
$1,894.63
|
1 |
|
usually ships 12-15 days |
23a |
170-7828
|
Gearbox |
$870.99
|
1 |
(1700DS, 2000DS) |
usually ships 13-18 days |
23b |
170-7817
|
Drip cover |
$69.59
|
1 |
(130, 170, 200, 1700, 2000) |
usually ships 12-15 days |
23c |
170-7818
|
Drip cover |
$79.89
|
1 |
(1700DS, 2000DS) |
usually ships 13-18 days |
24 |
170-7831
|
Main frame |
$114.57
|
1 |
|
usually ships 12-15 days |
25 |
170-0497
|
Clarke decal |
$16.95
|
1 |
|
usually ships 13-18 days |
26 |
170-7815
|
Housing assembly |
$252.90
|
1 |
(includes 27g and 27h) (200, 2000) |
usually ships 13-18 days |
27 |
163-0218
|
Screw 5/16-18 |
$6.46
|
4 |
|
usually ships 12-15 days |
29 |
163-0204
|
1/2 split pin |
$7.67
|
2 |
|
usually ships 12-15 days |
30 |
999-0998
|
Washer #10 flat stainless steel |
$0.99
|
1 |
|
ships same day |
N/S |
154-3996
|
Prop 65 decal |
$1.69
|
1 |
|
usually ships 12-15 days |
N/S |
996-0071
|
19 inch pad driver |
$199.63
|
1 |
|
ships same day |