| # | Part | Description | Price | Req | Notes | Availability |
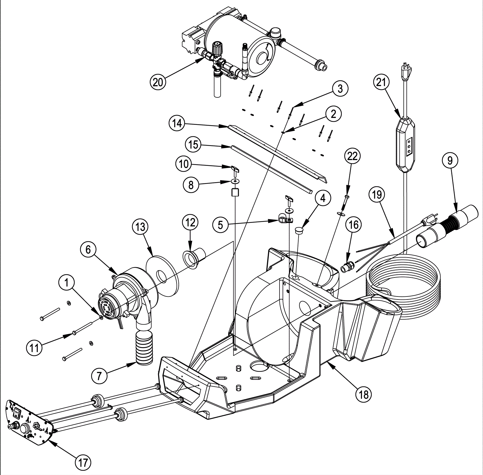
1 |
999-0006
|
Washer 3/16 flat zinc plated |
$0.99
|
3 |
|
ships same day |
2 |
N/A
|
Not available |
Call for price
|
7 |
(Washer) |
usually ships 3-26 days |
3 |
N/A
|
Not available |
Call for price
|
7 |
(Rivet) |
usually ships 3-26 days |
4 |
272-2537
|
Plug |
$9.70
|
1 |
|
usually ships 1-5 days |
5 |
209-0675
|
Hose clamp |
$10.01
|
2 |
|
usually ships 1-5 days |
6 |
209-0004
|
120V 2 stage vacuum motor with gasket and connectors |
$529.45
|
1 |
|
usually ships 13-18 days |
7 |
172-9433
|
Vacuum hose |
$14.41
|
1 |
|
usually ships 1-5 days |
8 |
170-1395
|
Fender washer |
$12.89
|
3 |
|
ships same day |
9 |
209-0401
|
1 1/2 inch vacuum hose (clear) |
$20.91
|
1 |
|
usually ships 13-18 days |
10 |
272-2538
|
Screw 1/4-20 x 1 thumb |
$9.70
|
2 |
|
usually ships 13-18 days |
11 |
272-2539
|
Bolt 1/4-20 |
$9.70
|
3 |
|
usually ships 1-5 days |
12 |
272-2540
|
Vacuum outlet sleeve |
$10.45
|
1 |
|
usually ships 1-5 days |
13 |
209-0632
|
Adhesive gasket |
$12.89
|
1 |
|
usually ships 13-18 days |
14 |
N/A
|
Not available |
Call for price
|
16 inch |
(Seal) |
usually ships 3-26 days |
15 |
209-0448
|
Gasket |
$12.89
|
14 inch |
|
usually ships 1-5 days |
16 |
209-0677
|
Cord retainer |
$11.35
|
1 |
|
usually ships 13-18 days |
17 |
172-9449
|
Switch plate |
$41.97
|
1 |
|
usually ships 13-18 days |
18 |
272-7385
|
Pallet component |
$914.51
|
1 |
|
usually ships 1-5 days |
19 |
172-9436
|
Pigtail cord |
$12.11
|
1 |
|
usually ships 13-18 days |
20 |
209-0616
|
Pump |
$705.76
|
1 |
|
usually ships 13-18 days |
21 |
172-9435
|
Power cord assembly |
$473.52
|
1 |
|
usually ships 13-18 days |
22 |
999-0976
|
Bolt 1/4-20 x 1 3/4 hex cap stainless steel |
$1.61
|
1 |
|
ships same day |