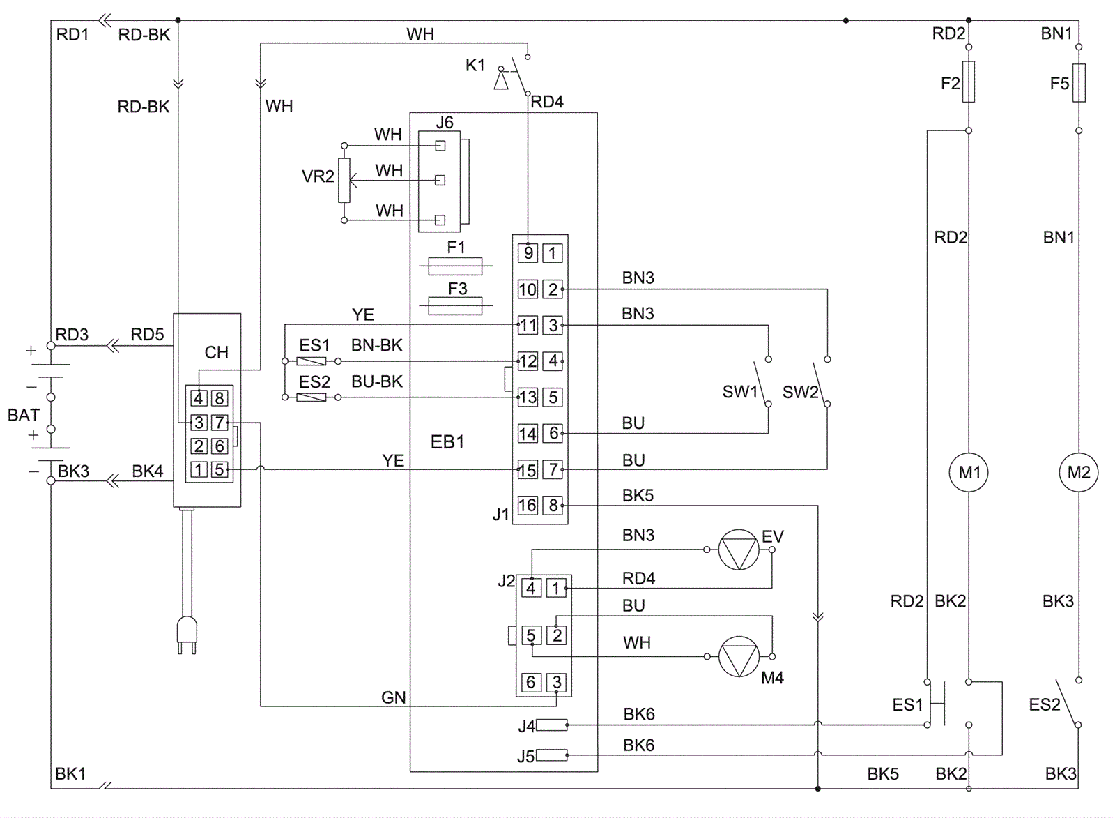
| # | Part | Description | Price | Req | Notes | Availability |
BAT |
N/A
|
Not available |
Call for price
|
|
(24V batteries) |
usually ships 3-26 days |
CH |
270-8587
|
24V 13Ah onboard battery charger |
$593.95
|
|
|
ships same day |
EB1 |
270-5035
|
Control panel board disc |
$288.61
|
|
|
usually ships 13-18 days |
ES1 |
272-7142
|
Electromagnetic switch |
$281.00
|
|
|
usually ships 13-18 days |
ES2 |
240-6336
|
RELAY 24V |
$14.95
|
|
|
usually ships 13-18 days |
F1 |
240-6379
|
LOW POWER CIRCUIT FUSE |
$7.56
|
|
|
usually ships 13-18 days |
F2 |
240-0882
|
30amp circuit breaker |
$24.67
|
|
|
ships same day |
F3 |
240-6380
|
BRUSH RELEASE FUSE |
$7.56
|
|
|
usually ships 13-18 days |
F5 |
240-0882
|
30amp circuit breaker |
$24.67
|
|
|
ships same day |
K1 |
572-3666
|
SWITCH KEY WITH CAP PKD |
$88.46
|
|
|
ships same day |
M1 |
240-6370
|
BRUSH MOTOR KIT |
$772.43
|
|
|
ships same day |
M2 |
240-6199
|
VACUUM MOTOR |
$217.78
|
|
|
usually ships 13-18 days |
EV |
240-6132
|
Solution solenoid valve kit |
$29.72
|
|
|
ships same day |
M4 |
N/A
|
Not available |
Call for price
|
|
(for machines with Chemical Mixing Assembly (optional)) |
usually ships 3-26 days |
SW1 |
240-6337
|
SWITCH |
$20.50
|
|
|
ships same day |