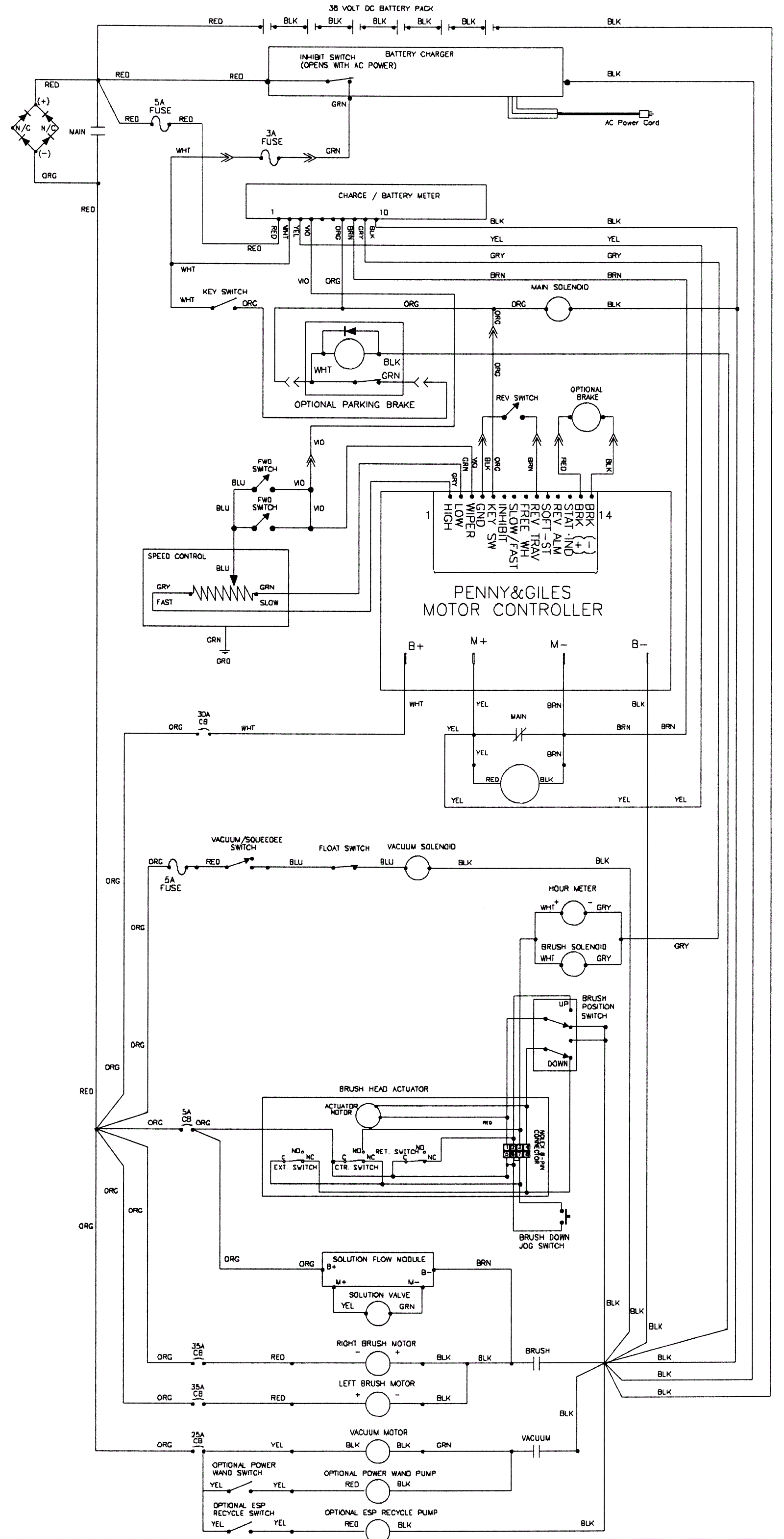
Electrical Schematic 1
Click to enlarge