| # | Part | Description |
Req | Notes | Availability |
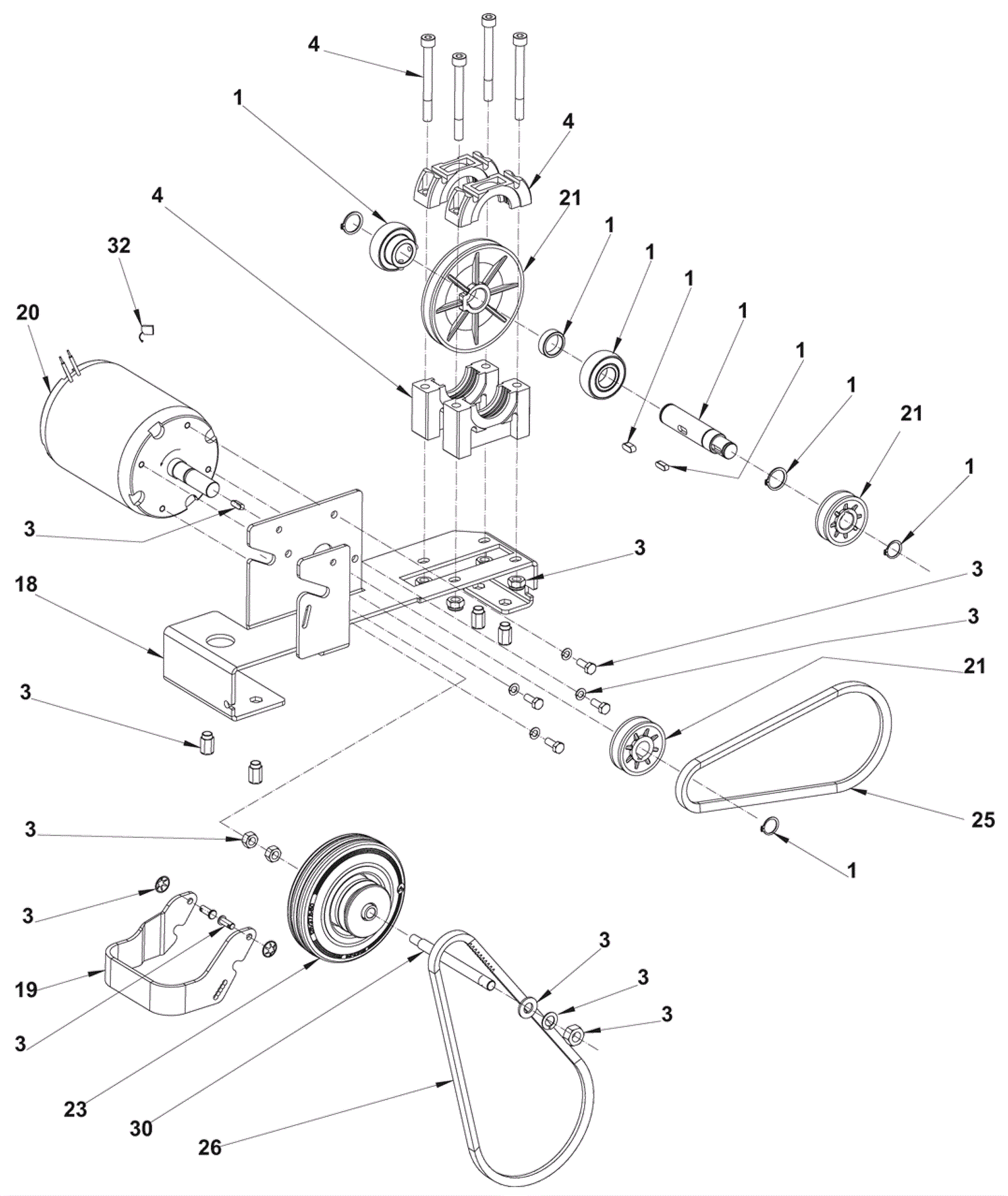
1 |
272-8973
|
Shaft pulley kit |
1 |
|
usually ships 13-16 days |
3 |
272-8962
|
Transmission hardware kit |
1 |
|
usually ships 13-16 days |
4 |
272-8974
|
Bearing support kit |
1 |
|
usually ships 13-16 days |
18 |
272-8975
|
Motor support plate |
1 |
|
usually ships 1-5 days |
19 |
272-8976
|
Bracket |
1 |
|
usually ships 1-5 days |
20 |
272-8977
|
12V electric motor |
1 |
|
usually ships 13-16 days |
21 |
272-8978
|
Pulley kit |
1 |
|
usually ships 13-16 days |
23 |
272-8979
|
Friction wheel |
1 |
|
usually ships 13-16 days |
25 |
272-8980
|
Belt |
1 |
|
usually ships 13-16 days |
26 |
272-6577
|
Belt |
1 |
|
usually ships 13-16 days |
30 |
272-8981
|
Shaft |
1 |
|
usually ships 13-16 days |
32 |
172-4846
|
Carbon brush kit (one kit each motor) |
1 |
|
usually ships 1-5 days |