| # | Part | Description | Price | Req | Notes | Availability |
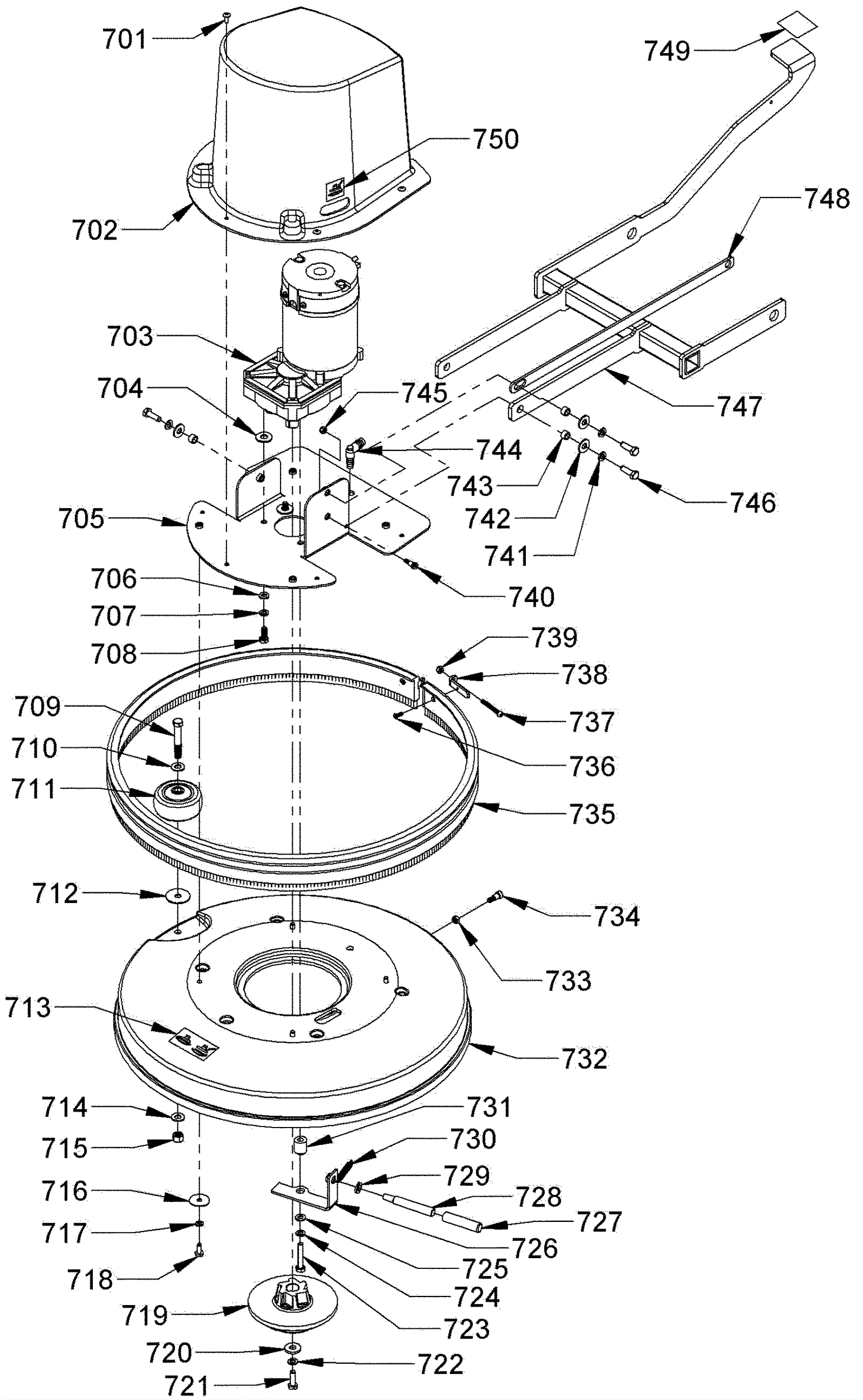
701 |
999-0454
|
Screw 10-24 x 1/2 truss head phillips zinc plated |
$0.99
|
5 |
|
ships same day |
702 |
164-9905
|
Motor cover |
Call for price
|
1 |
|
usually ships 19-25 days |
703 |
164-9906
|
Brush motor |
$912.18
|
1 |
|
usually ships 19-25 days |
704 |
999-0863
|
Washer 3/4 x 14 gauge narrow bushing |
$0.99
|
2 |
|
ships same day |
705 |
164-9907
|
Motor plate |
$155.21
|
1 |
|
usually ships 19-25 days |
706 |
999-9097
|
Washer M8 flat stainless steel |
$0.99
|
3 |
|
ships same day |
707 |
999-0674
|
Washer M8 split lock plain finish |
$0.99
|
3 |
|
ships same day |
708 |
999-9092
|
Screw M8-1.25 x 20mm hex head stainless steel |
$2.79
|
3 |
|
ships same day |
709 |
999-0390
|
Bolt 3/8-16 x 2 1/2 hex hd grade 5 zinc plated |
$1.19
|
1 |
|
ships same day |
710 |
164-0941
|
Washer 13/32 x 13/16 |
$7.38
|
1 |
|
ships same day |
711 |
164-9910
|
Wheel assembly |
$13.02
|
1 |
|
usually ships 19-25 days |
712 |
999-0035
|
Washer 3/8 x 1 1/2 fender |
$0.99
|
1 |
|
ships same day |
713 |
164-9911
|
Decal |
Call for price
|
1 |
|
usually ships 19-25 days |
714 |
164-0941
|
Washer 13/32 x 13/16 |
$7.38
|
1 |
|
ships same day |
715 |
999-0188
|
Nut 3/8-16 nylon insert lock zinc plated |
$0.99
|
1 |
|
ships same day |
716 |
999-0160
|
Washer 1/4 x 1 1/4 fender zinc plated |
$0.99
|
4 |
|
ships same day |
717 |
999-0060
|
Washer 1/4 split lock plain finish |
$0.99
|
4 |
|
ships same day |
718 |
999-1103
|
Bolt 1/4-20 x 3/4 hex head with nylon patch |
$4.94
|
4 |
|
ships same day |
719 |
164-9912
|
Pad driver/brush clutch casting |
$121.87
|
1 |
|
usually ships 19-25 days |
720 |
999-0033
|
Washer 7/16 SAE flat |
$0.99
|
1 |
|
ships same day |
721 |
999-0031
|
Bolt 5/16-18 x 1 hex head grade 5 zinc plated |
$0.99
|
1 |
|
ships same day |
722 |
999-0028
|
Washer 5/16 split lock plain finish |
$0.99
|
1 |
|
ships same day |
723 |
999-1426
|
Screw M8-1.25 x 45mm hex head stainless steel |
$3.04
|
1 |
|
ships same day |
724 |
999-0674
|
Washer M8 split lock plain finish |
$0.99
|
1 |
|
ships same day |
725 |
999-9097
|
Washer M8 flat stainless steel |
$0.99
|
1 |
|
ships same day |
726 |
164-9913
|
Brush stop latch |
$19.49
|
1 |
|
usually ships 19-25 days |
727 |
164-2524
|
Squeegee handle grip |
$2.51
|
1 |
|
usually ships 19-25 days |
728 |
164-2490
|
Squeegee lift handle |
$15.64
|
1 |
|
ships same day |
729 |
999-0034
|
Washer 3/8 split lock plain finish |
$1.82
|
1 |
|
ships same day |
730 |
164-0981
|
Spring |
$7.05
|
1 |
|
usually ships 19-25 days |
731 |
164-9914
|
Spacer |
$7.57
|
1 |
|
usually ships 19-25 days |
732 |
164-9915
|
20 inch deck skirt |
$86.87
|
1 |
|
usually ships 19-25 days |
733 |
164-6796
|
Nut 1/4-20 hex thin with nylok insert |
$7.38
|
1 |
|
usually ships 19-25 days |
734 |
164-1171
|
Bolt 5/16 x 3/8 socket head shoulder |
$14.05
|
1 |
|
usually ships 19-25 days |
735 |
164-9916
|
Bumper brush |
$269.69
|
1 |
|
usually ships 19-25 days |
736 |
999-0421
|
Screw 10-24 x 1/2 flat head phillips zinc plated |
$0.99
|
2 |
|
ships same day |
737 |
999-0642
|
Screw 10-24 x 1 3/4 round head phillips stainless steel |
$0.99
|
1 |
|
ships same day |
738a |
164-9917
|
Bracket |
$12.64
|
2 |
|
usually ships 19-25 days |
738b |
999-0199
|
Nut 10-24 nylon insert lock zinc plated |
$0.99
|
1 |
|
ships same day |
739 |
164-9066
|
Bolt 1/4 x 3/8 10-24 socket head shoulder |
$10.77
|
1 |
|
usually ships 19-25 days |
740 |
164-9066
|
Bolt 1/4 x 3/8 10-24 socket head shoulder |
$10.77
|
1 |
|
usually ships 19-25 days |
741 |
999-0028
|
Washer 5/16 split lock plain finish |
$0.99
|
3 |
|
ships same day |
742 |
999-0024
|
Washer 5/16 flat stainless steel |
$1.34
|
3 |
|
ships same day |
743 |
164-9901
|
Spacer |
$4.31
|
3 |
|
usually ships 19-25 days |
744 |
164-9918
|
Elbow fitting |
$3.54
|
1 |
|
usually ships 19-25 days |
745 |
999-0199
|
Nut 10-24 nylon insert lock zinc plated |
$0.99
|
1 |
|
ships same day |
746 |
999-0031
|
Bolt 5/16-18 x 1 hex head grade 5 zinc plated |
$0.99
|
3 |
|
ships same day |
747 |
164-9899
|
Deck lift |
$512.05
|
1 |
|
usually ships 19-25 days |
748 |
164-9902
|
Guide arm |
$21.87
|
1 |
|
usually ships 19-25 days |
749 |
164-9919
|
Anti-slip tape |
$3.66
|
1 |
|
usually ships 19-25 days |
750 |
164-9920
|
Decal |
Call for price
|
1 |
|
usually ships 19-25 days |