214 HX
Wiring Assembly
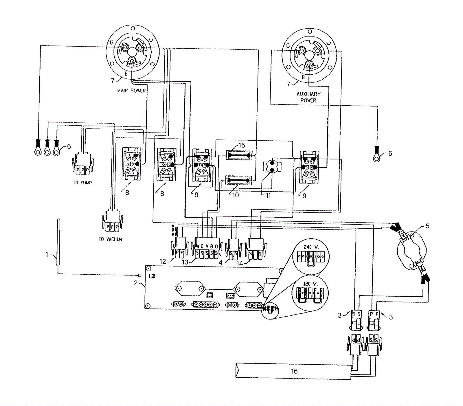
Click to enlarge
#
Part
Description
Price
Req
Notes
Availability
1a
262-0139
20 inch thermosensor
$92.09
1
usually ships 12-13 days
1b
262-0528
Sensor
Call for price
1
usually ships 12-13 days
2
262-0101
Plate
$748.17
1
usually ships 12-13 days
3
262-0529
Delphi plug
Call for price
1
usually ships 12-13 days
4
262-0140
2amp connector
$2.09
1
usually ships 12-13 days
5
262-0446
Thermostat
Call for price
1
usually ships 12-13 days
6
262-0530
Eyelet
Call for price
1
usually ships 12-13 days
7
262-0444
Receptacle
Call for price
1
usually ships 12-13 days
8
262-0278
Switch
$41.35
1
usually ships 12-13 days
9
262-0445
Switch
Call for price
1
usually ships 12-13 days
10
262-0443
Light (red)
Call for price
1
usually ships 12-13 days
11
262-0095
Button
$34.57
1
usually ships 12-13 days
12
262-0140
2amp connector
$2.09
1
usually ships 12-13 days
13
262-0531
Molex plug
Call for price
1
usually ships 12-13 days
14
262-0532
Molex plug
Call for price
1
usually ships 12-13 days
15
262-0097
Button
$16.74
1
usually ships 12-13 days
16a
262-0462
Cart
Call for price
1
usually ships 12-13 days
16b
262-0533
Heater
Call for price
1
usually ships 12-13 days