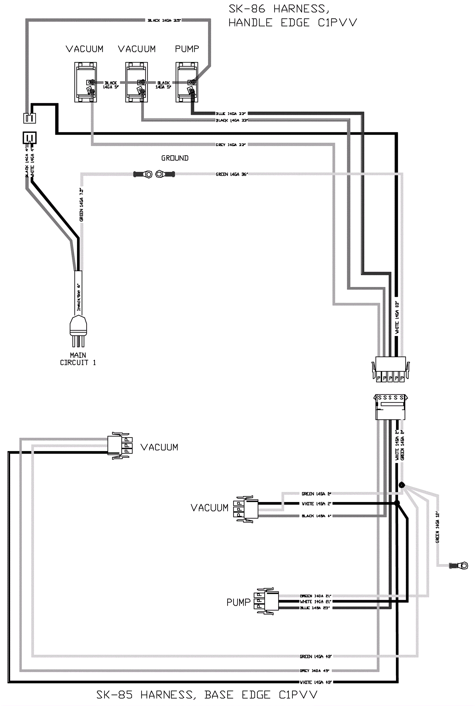
Wiring Diagram - Not Heated
Click to enlarge