| # | Part | Description | Price | Req | Notes | Availability |
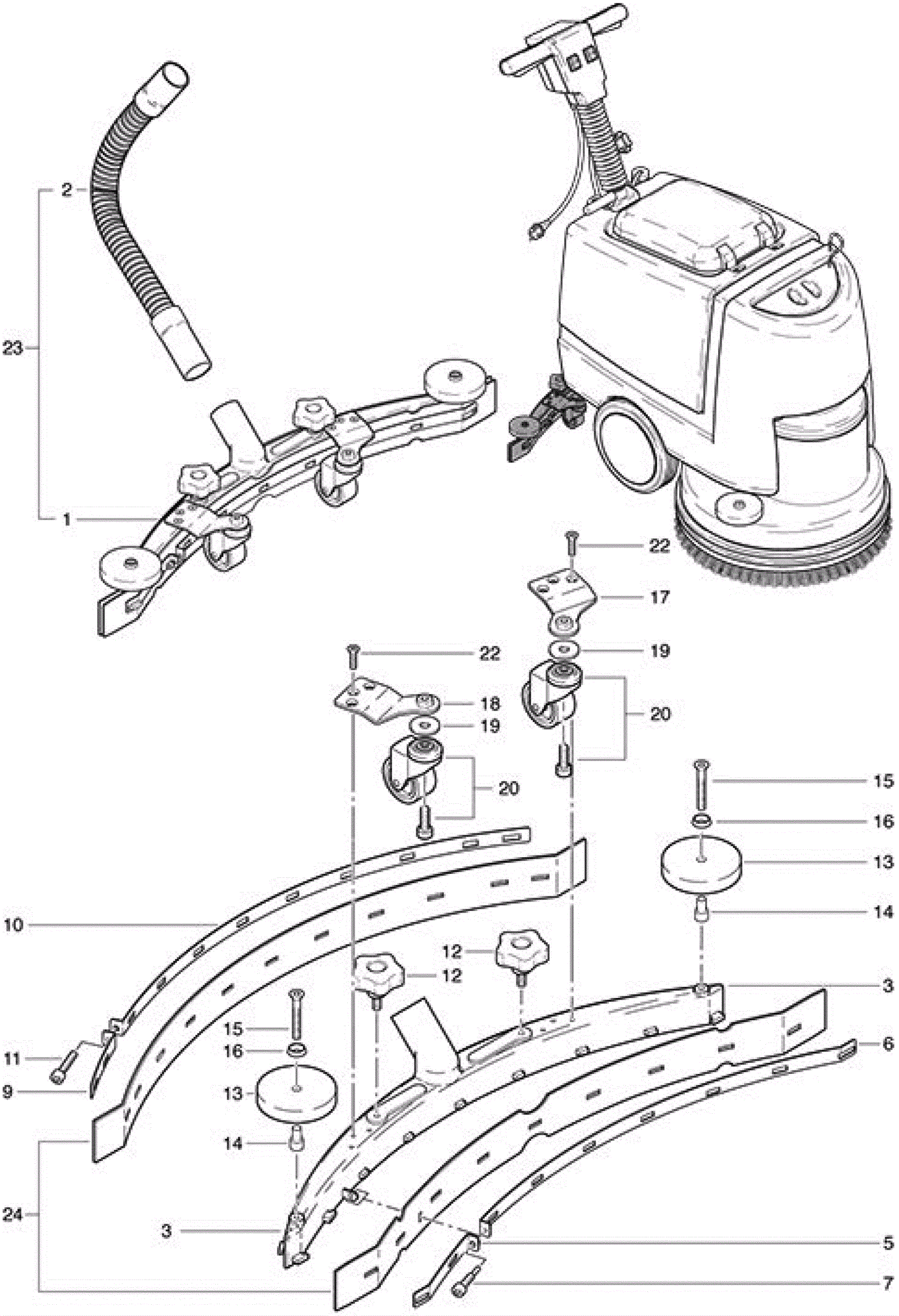
1 |
295-3066
|
Curved suction nozzle assembly |
$1,413.08
|
1 |
(includes 3-22) |
usually ships 1-5 days |
2 |
295-0863
|
Suction hose |
$71.28
|
1 |
|
usually ships 1-5 days |
3 |
295-4058
|
Squeegee body |
$422.40
|
2 |
|
usually ships 1-5 days |
5 |
195-3730
|
Support plate |
Call for price
|
1 |
|
usually ships 10-11 days |
6 |
195-3731
|
Front support plate |
Call for price
|
1 |
|
usually ships 10-11 days |
7 |
295-3059
|
Adjustment screw |
$38.02
|
1 |
|
usually ships 1-5 days |
9 |
195-3734
|
Small rear support plate |
Call for price
|
1 |
|
usually ships 10-11 days |
10 |
195-3735
|
Rear support plate |
Call for price
|
1 |
|
usually ships 10-11 days |
11 |
195-3736
|
Screw M6 x 25 |
Call for price
|
1 |
|
usually ships 10-11 days |
12 |
295-0053
|
Star handle knob |
$75.24
|
2 |
|
usually ships 10-11 days |
13 |
195-3718
|
Fender wheel |
Call for price
|
2 |
|
usually ships 10-11 days |
14 |
195-3719
|
Ring |
Call for price
|
2 |
|
usually ships 10-11 days |
15 |
195-3738
|
Screw M8 x 45 |
Call for price
|
2 |
|
usually ships 10-11 days |
16 |
195-3717
|
Washer |
Call for price
|
2 |
|
usually ships 10-11 days |
17 |
195-3739
|
Right hand wheel bracket |
Call for price
|
1 |
|
usually ships 10-11 days |
18 |
195-3740
|
Left hand wheel bracket |
Call for price
|
1 |
|
usually ships 10-11 days |
19 |
195-3741
|
Disk |
Call for price
|
2 |
|
usually ships 10-11 days |
20 |
195-3742
|
Castor |
Call for price
|
2 |
|
usually ships 10-11 days |
22 |
195-3743
|
Screw M6 x 16 |
Call for price
|
2 |
|
usually ships 10-11 days |
23 |
295-0862
|
Curved suction nozzle |
$1,474.70
|
1 |
(includes 1-2) |
usually ships 1-5 days |
24a |
295-1976
|
Curved squeegee blade (pkg of 2) |
$272.80
|
1 |
(standard) |
usually ships 1-5 days |
24b |
295-8514
|
Squeegee blade kit curved urethane |
$311.08
|
1 |
(oil resistant) |
usually ships 1-5 days |