| # | Part | Description | Price | Req | Notes | Availability |
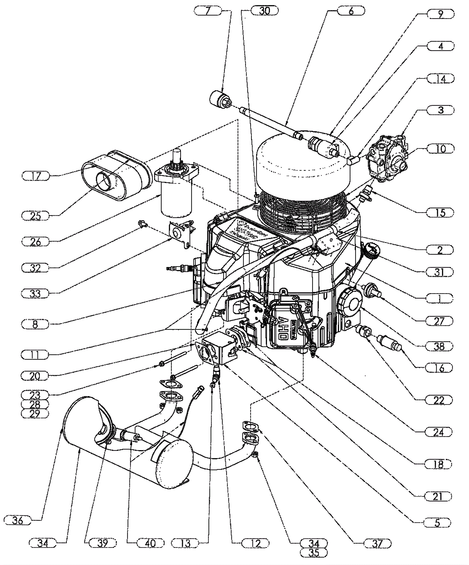
1 |
252-2076
|
Kawasaki FS481V engine |
$1,712.04
|
1 |
|
usually ships 1-5 days |
2 |
252-2077
|
7/8 inch nylon hose strap |
$0.99
|
2 |
|
usually ships 1-5 days |
3 |
252-1948
|
Regulator (N51) |
$297.89
|
1 |
|
usually ships 10-12 days |
4 |
991-6002
|
12V fuel lock off (Model 152) |
$44.45
|
1 |
|
ships same day |
5 |
252-2078
|
Propane carburetor |
$149.74
|
1 |
|
usually ships 1-5 days |
6 |
252-2079
|
Hose with male fittings 1/8 x 10 1/2 inch |
$43.73
|
1 |
|
usually ships 1-5 days |
7 |
252-2080
|
Right side female coupling |
$36.60
|
1 |
|
usually ships 1-5 days |
8 |
252-2081
|
350 PSI low pressure hose 1/2 x 12 inch |
$19.47
|
1 |
|
usually ships 1-5 days |
9 |
252-1548
|
Dust bonnet |
$32.98
|
1 |
|
usually ships 1-5 days |
10 |
160-0112
|
3 tab filter cage for 18HP (plastic) |
$71.40
|
1 |
|
usually ships 7-10 days |
11 |
997-2523
|
5/16 inch hose clamp |
$2.56
|
2 |
|
usually ships 1-5 days |
12 |
997-2524
|
90 degree elbow brass fitting 1/2 x 1/4 |
$15.51
|
1 |
|
usually ships 1-5 days |
13 |
997-2525
|
1/8 inch brass hex plug |
$1.61
|
1 |
|
usually ships 1-5 days |
14 |
997-2526
|
Brass pipe fitting 1/4 x 1/4 inch |
$6.58
|
1 |
|
usually ships 1-5 days |
15 |
997-2527
|
Male brass hosebarb 1/2 x 3/8 inch |
$4.25
|
1 |
|
usually ships 16-20 days |
16 |
252-2082
|
Oil drain valve |
$16.97
|
1 |
|
usually ships 1-5 days |
17a |
178-0255
|
Air pre-filter |
$6.29
|
1 |
(OEM) |
ships same day |
17b |
991-6028
|
Air pre-filter |
$5.70
|
1 |
(NON-OEM) |
usually ships 9-10 days |
18 |
178-7102
|
Intake manifold gasket |
$4.05
|
2 |
|
usually ships 7-10 days |
19 |
252-2083
|
Emissions control |
$185.50
|
1 |
|
usually ships 1-5 days |
20 |
178-0042
|
Carb intake gasket |
$1.63
|
1 |
|
ships same day |
21 |
178-0166
|
Insulator |
$7.90
|
1 |
|
usually ships 7-10 days |
22 |
178-0010
|
Oil drain adapter |
$8.32
|
1 |
|
ships same day |
23 |
178-7138
|
Stud |
$3.64
|
2 |
|
usually ships 1-5 days |
24a |
166-0008
|
Spark plug (Kawasaki FS481V) |
$5.99
|
2 |
|
ships same day |
24b |
166-0008
|
Spark plug (Kawasaki FS481V) |
$5.99
|
2 |
|
ships same day |
25a |
178-0256
|
Air filter |
$21.38
|
1 |
(OEM) |
ships same day |
25b |
991-6029
|
Air filter |
$17.54
|
1 |
(NON-OEM) |
ships same day |
26 |
178-7106
|
Electric starter |
$238.27
|
1 |
|
usually ships 7-10 days |
27 |
154-0143
|
Oil pressure switch with 2 prongs |
$66.31
|
1 |
|
usually ships 12-15 days |
28 |
999-1308
|
Nut M6-1 hex stainless steel |
$0.99
|
2 |
|
ships same day |
29 |
999-1049
|
Washer 1/4 split lock zinc plated |
$0.99
|
2 |
|
ships same day |
30 |
999-0487
|
Screw 1/4-20 x 3/4 pan head phillips zinc plated |
$0.99
|
3 |
|
ships same day |
31 |
999-1816
|
Screw 10-24 x 3/4 pan head phillips zinc plated |
$0.99
|
4 |
|
ships same day |
32 |
999-1817
|
Bolt M8-1.25 x 16mm flange zinc plated |
$1.85
|
1 |
|
usually ships 1-5 days |
33a |
160-0083
|
Starter solenoid (remote mounted) |
$25.15
|
1 |
|
ships same day |
33b |
991-9257
|
SOLENOID -STARTER 12V |
$44.56
|
1 |
(NON-OEM) |
usually ships 18-24 days |
34 |
999-1424
|
Nut M8-1.25 hex stainless steel |
$1.65
|
4 |
|
ships same day |
35 |
999-1807
|
Washer 5/16 medium split lock zinc plated |
$0.99
|
4 |
|
ships same day |
36 |
252-1950
|
Catalytic muffler |
$825.22
|
1 |
|
usually ships 10-12 days |
37 |
178-0257
|
Gasket |
$2.17
|
2 |
|
ships same day |
38a |
178-0254
|
Oil filter |
$30.11
|
2 |
(OEM) |
ships same day |
38b |
991-6027
|
Oil filter |
$13.65
|
2 |
(NON-OEM) |
ships same day |
39 |
178-7139
|
Clamp |
$8.21
|
1 |
|
usually ships 7-10 days |
40 |
252-2073
|
Oxygen sensor |
$45.93
|
1 |
|
usually ships 1-5 days |