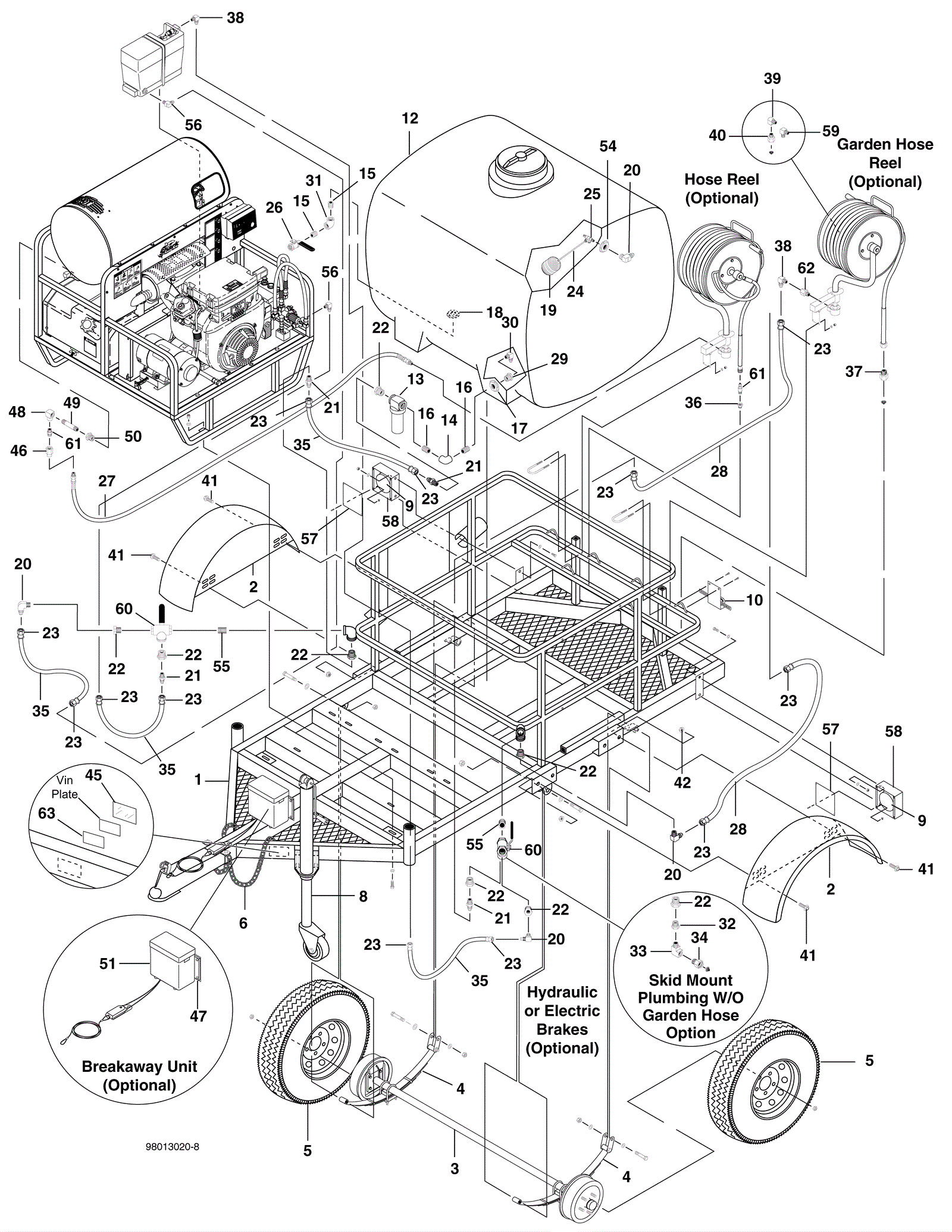
| # | Part | Description | Price | Req | Notes | Availability |
1 |
252-1572
|
Frame assembly |
$4,685.21
|
1 |
|
usually ships 1-5 days |
2 |
252-1573
|
Single fender assembly |
$225.50
|
2 |
|
usually ships 1-5 days |
3a |
252-1574
|
Axle |
$619.30
|
1 |
(standard) |
usually ships 1-5 days |
3b |
252-1575
|
Axle |
$1,008.70
|
1 |
(electric brakes) |
usually ships 1-5 days |
3c |
252-1576
|
Axle |
$1,226.50
|
1 |
(hydraulic brakes) |
usually ships 1-5 days |
4 |
252-1577
|
Leaf spring |
$148.79
|
1 |
|
usually ships 1-5 days |
5 |
252-1578
|
15 inch tire and wheel assembly |
$430.78
|
2 |
|
usually ships 1-5 days |
6 |
252-1579
|
Chain |
$5.50
|
6 ft |
|
usually ships 1-5 days |
8 |
252-1547
|
Jack stand |
$635.58
|
1 |
|
usually ships 1-5 days |
9 |
252-1580
|
Lamp (red) |
$32.45
|
2 |
|
usually ships 1-5 days |
10 |
252-1581
|
Lamp with holder |
$68.20
|
1 |
|
usually ships 1-5 days |
12 |
252-1582
|
Tank |
$1,080.20
|
1 |
|
usually ships 1-5 days |
13 |
252-1583
|
T line strainer |
$46.31
|
1 |
|
usually ships 10-13 days |
14 |
252-1584
|
Elbow |
$12.98
|
1 |
|
usually ships 1-5 days |
15 |
252-1585
|
1 1/2 inch nipple |
$17.27
|
2 |
|
usually ships 1-5 days |
16 |
252-1586
|
1 inch nipple |
$4.82
|
2 |
|
usually ships 1-5 days |
17 |
252-1587
|
1 inch fitting |
$13.75
|
1 |
|
usually ships 1-5 days |
18 |
252-1588
|
1 1/2 inch fitting |
$20.90
|
1 |
|
usually ships 1-5 days |
19 |
252-1589
|
Float ball |
$5.41
|
1 |
|
usually ships 1-5 days |
20 |
252-1590
|
90 degree elbow |
$18.48
|
4 |
|
usually ships 1-5 days |
21 |
252-1591
|
Pipe nipple |
$14.74
|
4 |
|
usually ships 1-5 days |
22 |
252-1592
|
Bushing |
$10.73
|
7 |
|
usually ships 1-5 days |
23 |
252-1593
|
Female swivel |
$17.05
|
12 |
|
usually ships 1-5 days |
24 |
252-1594
|
10 inch float stem |
$5.56
|
1 |
|
usually ships 1-5 days |
25 |
252-1595
|
Float valve |
$30.69
|
1 |
|
usually ships 1-5 days |
26 |
252-1596
|
Ball valve |
$90.75
|
1 |
|
usually ships 1-5 days |
27 |
252-1568
|
125 inch hose |
$68.20
|
1 |
|
usually ships 10-13 days |
28 |
252-1597
|
Push on hose (sold by the inch) |
$8.12
|
13 ft |
|
usually ships 1-5 days |
29 |
252-1598
|
Bushing |
$8.20
|
1 |
|
usually ships 1-5 days |
30 |
252-1599
|
Elbow 1/2 x 1/2 inch |
$10.36
|
1 |
|
usually ships 1-5 days |
31 |
252-1600
|
1 1/2 inch elbow |
$24.09
|
1 |
|
usually ships 1-5 days |
32 |
252-1601
|
Bushing 3/4 x 1/2 inch |
$6.44
|
1 |
|
usually ships 1-5 days |
33 |
252-1602
|
1/2 inch brass elbow |
$15.42
|
1 |
|
usually ships 10-13 days |
34 |
252-1260
|
Swivel 1/2 inch MP x 3/4 inch GHF w/strainer |
$10.42
|
1 |
|
usually ships 10-13 days |
35 |
252-1597
|
Push on hose (sold by the inch) |
$8.12
|
16 ft |
|
usually ships 1-5 days |
36 |
252-1605
|
Brass bushing 1/2 x 3/8 inch |
$5.48
|
1 |
|
usually ships 1-5 days |
37 |
252-1606
|
Fitting 3/4 x 1/2 inch |
$13.64
|
1 |
|
usually ships 1-5 days |
38 |
252-1192
|
Male elbow 3/4 inch x 1/2 inch |
$18.01
|
2 |
|
usually ships 1-5 days |
39 |
252-1608
|
45 degree elbow |
$15.95
|
1 |
|
usually ships 1-5 days |
40 |
252-1609
|
Swivel 3/8 x 3/4 inch |
$8.47
|
1 |
|
usually ships 1-5 days |
41 |
252-1176
|
Screw 3/8 inch x 3/4 inch HH NC |
$1.90
|
12 |
|
usually ships 1-5 days |
42 |
252-1177
|
Nut 3/8 inch Flange whiz lock |
$0.99
|
12 |
|
usually ships 1-5 days |
45 |
252-1612
|
Clear decal |
$7.70
|
1 |
|
usually ships 1-5 days |
46 |
991-8188
|
3/8 inch female quick connect |
$10.03
|
1 |
|
usually ships 18-24 days |
47 |
252-1613
|
Break away bracket |
$54.01
|
1 |
|
usually ships 1-5 days |
48 |
252-1614
|
3/8 inch elbow |
$7.35
|
1 |
|
usually ships 1-5 days |
49 |
252-1615
|
Nipple 3/8 x 3 inch |
$2.07
|
1 |
|
usually ships 1-5 days |
50 |
252-1616
|
Steel bushing 1/2 x 3/8 inch |
$3.96
|
1 |
|
usually ships 1-5 days |
51 |
252-1617
|
Break away kit with battery |
$174.90
|
1 |
|
usually ships 1-5 days |
54 |
252-1618
|
3/4 inch bulkhead fitting |
$12.10
|
1 |
|
usually ships 1-5 days |
55 |
252-1619
|
1 inch nipple (black) |
$2.57
|
2 |
|
usually ships 1-5 days |
56 |
252-1192
|
Male elbow 3/4 inch x 1/2 inch |
$18.01
|
2 |
|
usually ships 1-5 days |
57 |
252-1621
|
Light bracket cover |
$39.93
|
2 |
|
usually ships 1-5 days |
58 |
252-1622
|
Light bracket |
$77.55
|
2 |
|
usually ships 1-5 days |
59 |
252-1623
|
3/8 inch street elbow |
$9.35
|
1 |
|
usually ships 1-5 days |
60 |
252-1624
|
3 way brass valve |
$148.50
|
2 |
|
usually ships 1-5 days |
61 |
252-1507
|
3/8 inch coupler with male threads |
$2.57
|
2 |
|
ships same day |
62 |
252-1625
|
Adapter 1/2 x 3/8 inch |
$8.97
|
1 |
|
usually ships 1-5 days |
63 |
252-1626
|
10 inch adhesive roll |
Call for price
|
1 |
|
usually ships 1-5 days |
N/S |
252-1627
|
S hook |
$3.37
|
2 |
|
usually ships 1-5 days |
N/S |
252-1628
|
7 prong connector |
$15.82
|
1 |
|
usually ships 1-5 days |
N/S |
252-1629
|
Cage nut |
$2.77
|
8 |
|
usually ships 1-5 days |
N/S |
273-9436
|
Grommet |
$1.47
|
6 |
|
usually ships 11-15 days |
N/S |
252-1631
|
Warning decal |
$5.50
|
2 |
|
usually ships 1-5 days |