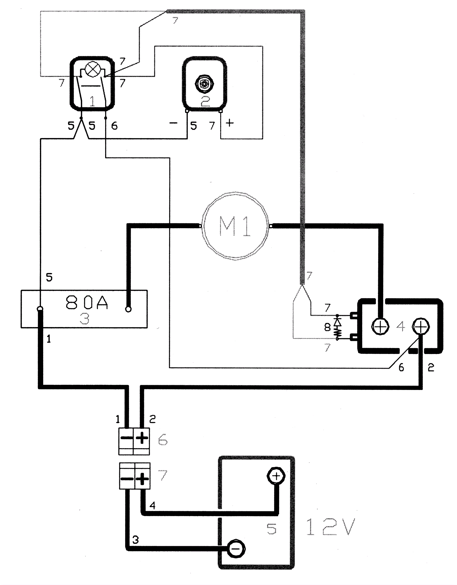
| # | Part | Description | Price | Req | Notes | Availability |
001 |
250-1045
|
Switch |
$64.37
|
|
|
usually ships 12-17 days |
002 |
189-2554
|
Indicator |
$130.16
|
|
|
usually ships 12-17 days |
003 |
189-2555
|
Fuse |
$60.39
|
|
|
usually ships 12-17 days |
006 |
189-2653
|
Male connector |
$69.14
|
|
|
usually ships 1-5 days |
007 |
250-1136
|
Female connector |
$102.06
|
|
|
usually ships 1-5 days |
N/S |
189-2655
|
Charger cable and plug |
$174.68
|
|
|
usually ships 1-5 days |
N/S |
991-1619
|
70amp circuit breaker |
$168.85
|
1 |
|
usually ships 1-5 days |
005 |
162-0003
|
6V 225Ah wet battery (SNSR) |
$269.50
|
2 |
|
ships same day |
005 |
162-0043
|
6V 224Ah AGM battery (Group GC2) (SNSR) |
$456.50
|
2 |
|
ships same day |