| # | Part | Description | Price | Req | Notes | Availability |
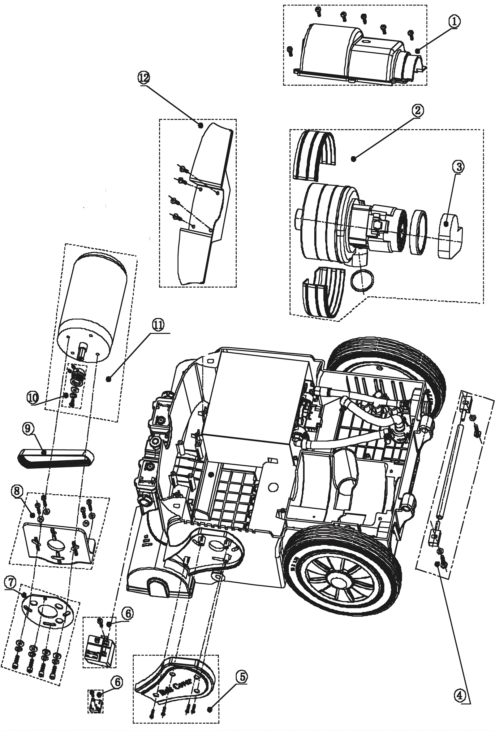
1 |
240-1192
|
Vacuum motor cover kit |
Call for price
|
1 |
|
usually ships 13-16 days |
2 |
240-1193
|
120V vacuum motor kit |
Call for price
|
1 |
(includes 3) |
usually ships 13-16 days |
3 |
240-1194
|
Motor suction gate sponge |
Call for price
|
1 |
|
usually ships 13-16 days |
4 |
240-1195
|
Water tank rotation shaft kit |
Call for price
|
1 |
|
usually ships 13-16 days |
5 |
240-1196
|
Belt cover kit |
Call for price
|
1 |
|
usually ships 13-16 days |
6 |
240-1197
|
US rectifier kit |
Call for price
|
1 |
|
usually ships 13-16 days |
7 |
240-1198
|
Brush motor attachment kit |
Call for price
|
1 |
|
usually ships 13-16 days |
8 |
240-1199
|
Brush mounting base kit |
Call for price
|
1 |
|
usually ships 13-16 days |
9 |
240-1200
|
V belt |
Call for price
|
1 |
|
usually ships 13-16 days |
10 |
240-1201
|
Main sheave kit |
Call for price
|
1 |
|
usually ships 13-16 days |
11 |
240-1202
|
120V brush motor kit |
Call for price
|
1 |
(includes 10) |
usually ships 13-16 days |
12 |
240-1203
|
Waterproof baffle kit |
Call for price
|
1 |
|
usually ships 13-16 days |