| # | Part | Description | Price | Req | Notes | Availability |
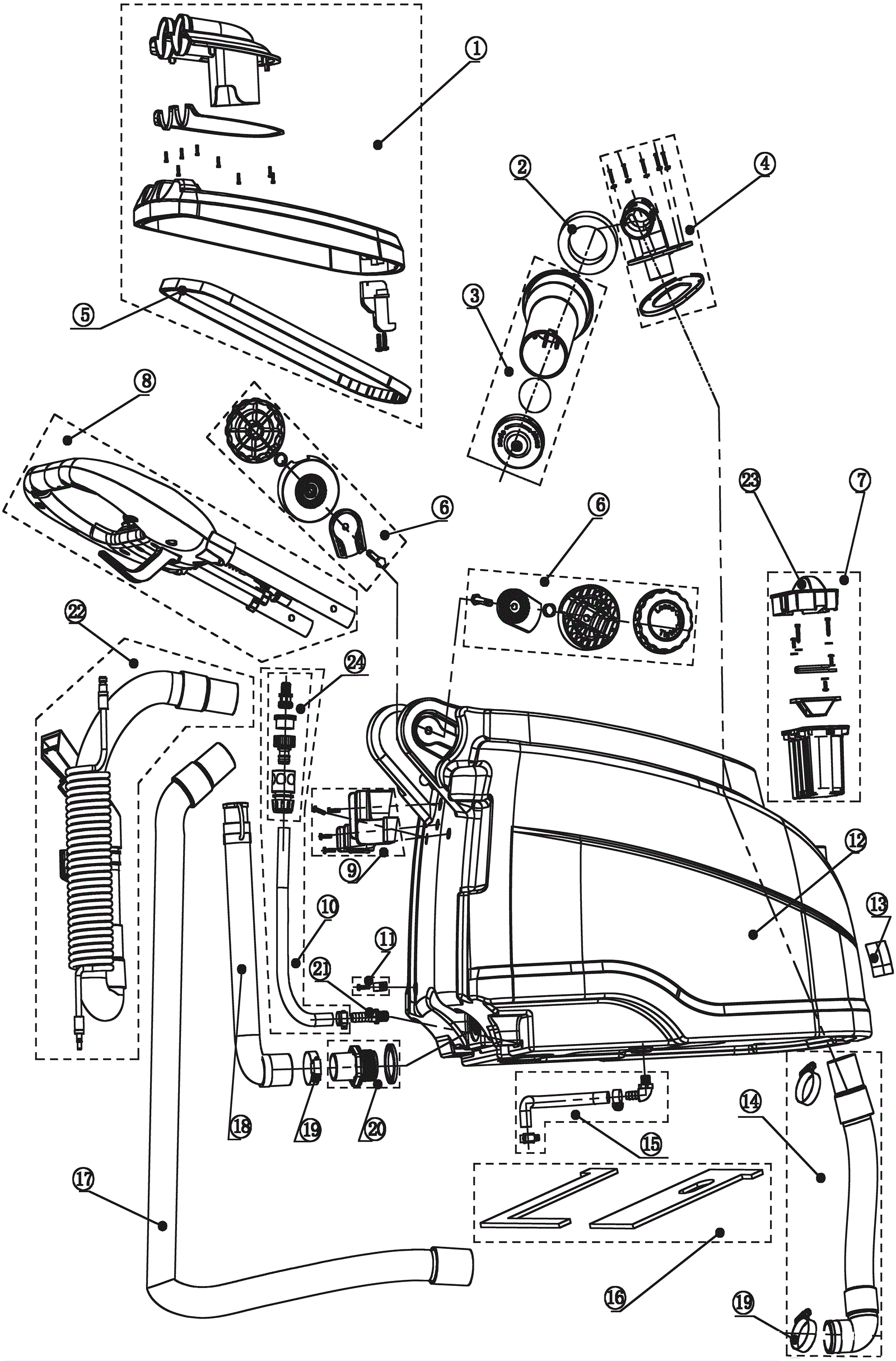
1 |
240-1169
|
Recovery tank lid kit |
Call for price
|
1 |
(includes 5) |
usually ships 13-16 days |
2 |
240-1170
|
Float ball cage filter sponge |
Call for price
|
1 |
|
usually ships 13-16 days |
3 |
240-1171
|
Float ball cage kit |
Call for price
|
1 |
|
usually ships 13-16 days |
4 |
240-1172
|
Float mounting bracket kit |
Call for price
|
1 |
|
usually ships 13-16 days |
5 |
240-1173
|
Recovery tank lid gasket |
Call for price
|
1 |
|
usually ships 13-16 days |
6 |
240-1174
|
Handle adjusting parts kit |
Call for price
|
2 |
|
usually ships 13-16 days |
7 |
240-1175
|
Solution lid kit |
Call for price
|
1 |
(includes 23) |
usually ships 13-16 days |
8 |
240-1176
|
Handle assembly kit |
Call for price
|
1 |
|
usually ships 13-16 days |
9 |
240-1177
|
Hose clip kit |
Call for price
|
1 |
|
usually ships 13-16 days |
10 |
240-1178
|
Solution tank water level hose kit |
Call for price
|
1 |
(includes 24) |
usually ships 13-16 days |
11 |
240-1179
|
Main cord sleeve kit |
Call for price
|
1 |
|
usually ships 13-16 days |
12 |
240-1180
|
Water tank |
Call for price
|
1 |
|
usually ships 13-16 days |
13 |
240-9159
|
Renown logo decal |
Call for price
|
1 |
|
usually ships 13-16 days |
14 |
240-1182
|
Exhaust hose kit |
Call for price
|
1 |
(includes 19 (2pcs)) |
usually ships 13-16 days |
15 |
240-1183
|
PVC hose with spring kit |
Call for price
|
1 |
|
usually ships 13-16 days |
16 |
240-1184
|
Water tank EVA sealing mat kit |
Call for price
|
1 |
|
usually ships 13-16 days |
17 |
240-1185
|
Vacuum hose |
Call for price
|
1 |
|
usually ships 13-16 days |
18 |
240-1186
|
Drain hose |
Call for price
|
1 |
|
usually ships 13-16 days |
19 |
270-5017
|
Clamp |
Call for price
|
3 |
|
usually ships 13-16 days |
20 |
240-1187
|
Drain hose connector kit |
Call for price
|
1 |
|
usually ships 13-16 days |
21 |
240-1188
|
Water level hose connector |
Call for price
|
1 |
|
usually ships 13-16 days |
22 |
240-1189
|
Hand tool kit |
Call for price
|
1 |
(optional) |
usually ships 13-16 days |
23 |
240-1190
|
Solution lid |
Call for price
|
1 |
|
usually ships 13-16 days |
24 |
240-1191
|
Plastic quick connector kit |
Call for price
|
1 |
|
usually ships 13-16 days |