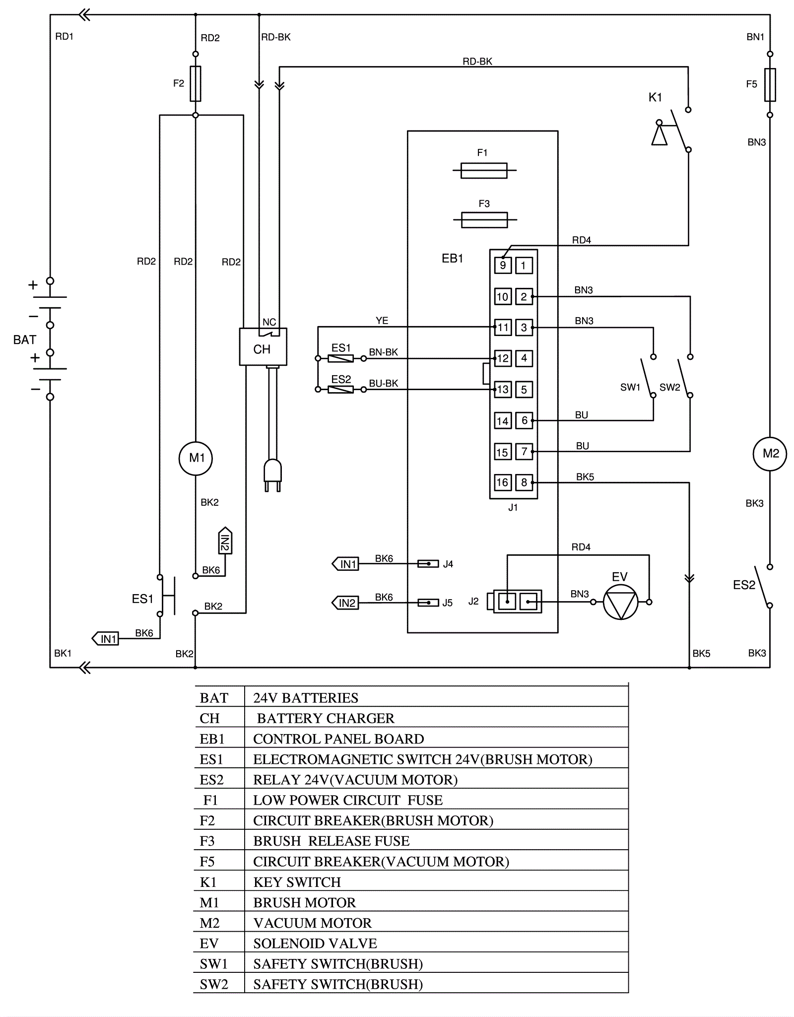
Wiring Diagram-with Traction
Click to enlarge