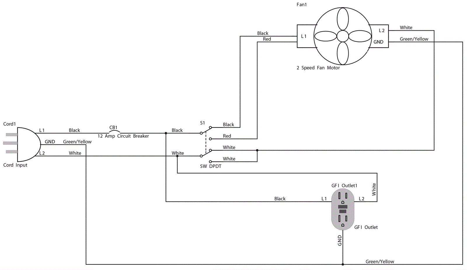
Electrical Assembly
Click to enlarge