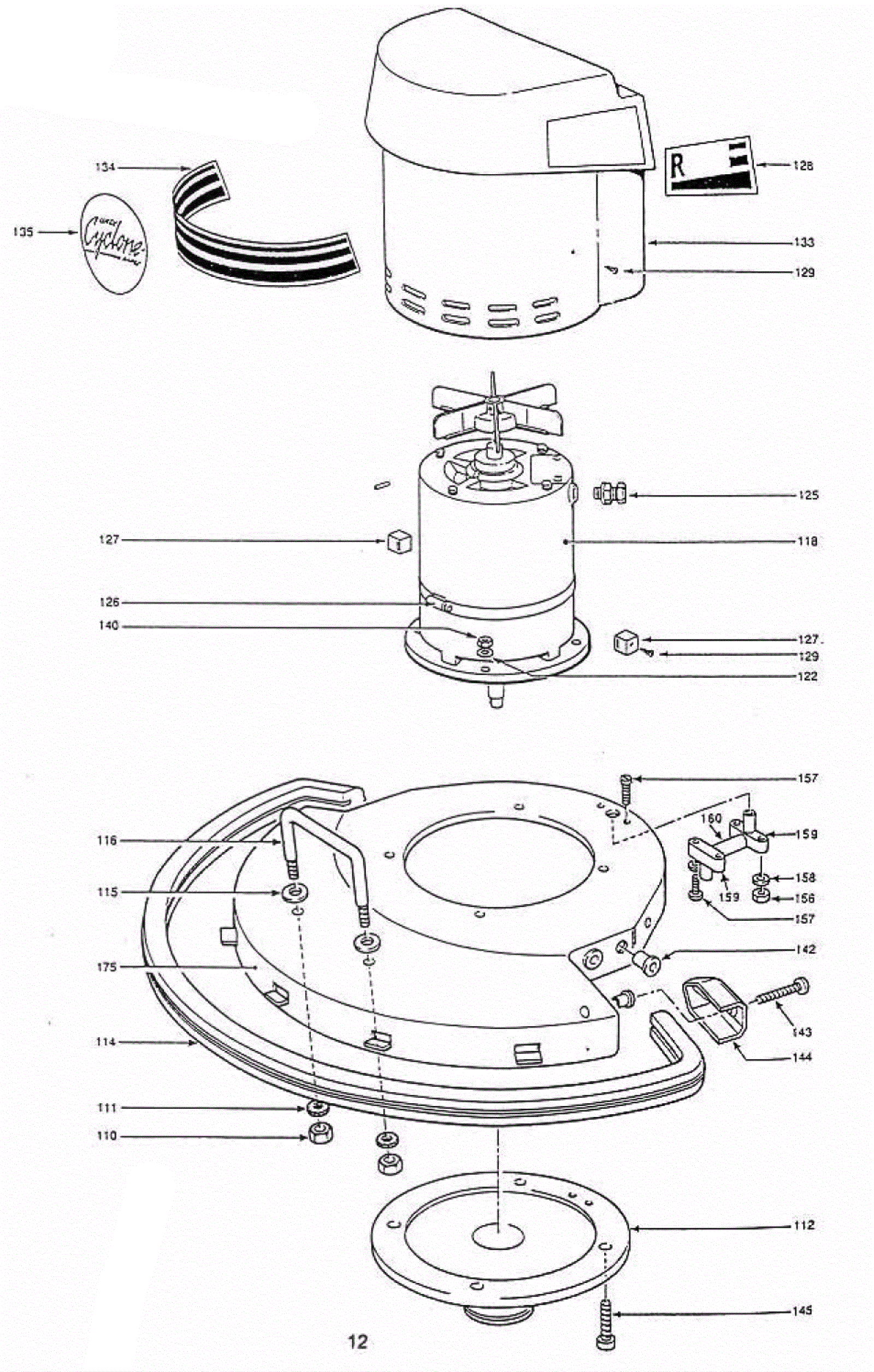
Motor and Base Assembly
Click to enlarge