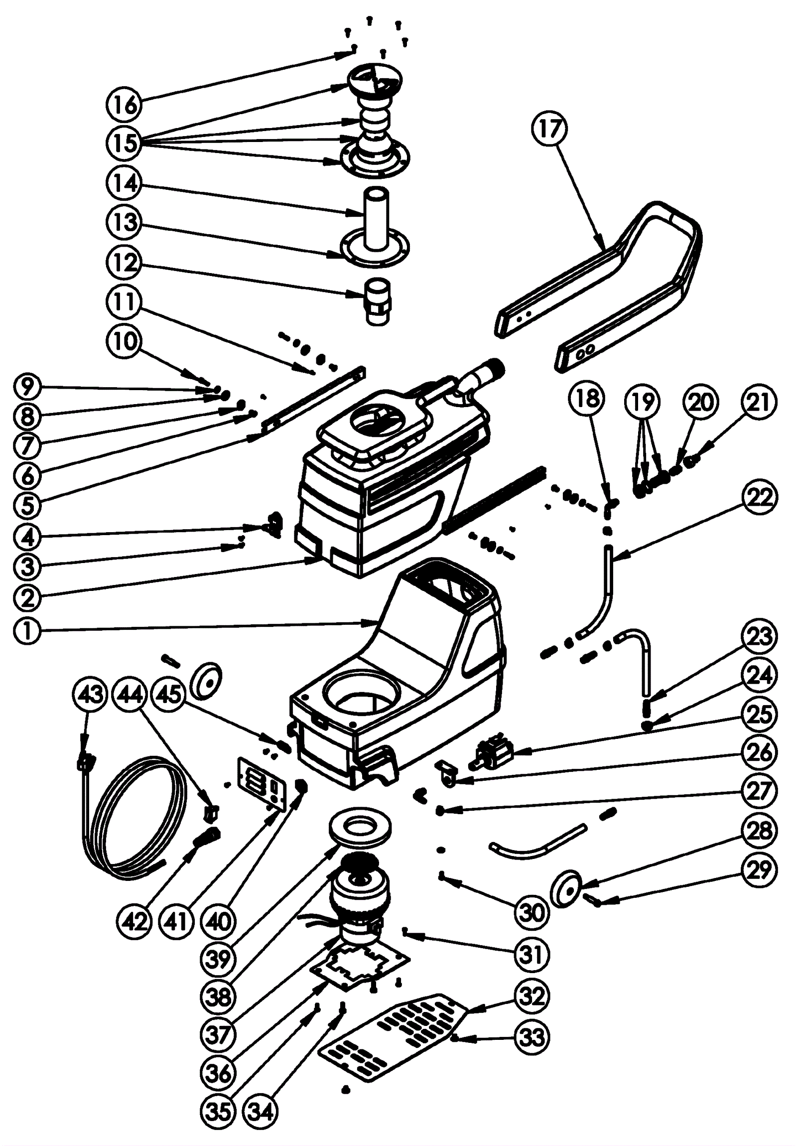
| # | Part | Description | Price | Req | Notes | Availability |
1 |
228-4084
|
3 gallon solution tank (black) |
$136.40
|
1 |
|
usually ships 15-18 days |
2 |
228-4210
|
3 gallon recovery tank (grey) |
$111.85
|
1 |
|
usually ships 15-18 days |
3 |
999-1018
|
Screw 6-32 x 1/4 pan head phillips stainless steel |
$0.99
|
6 |
|
usually ships 1-5 days |
4 |
228-4123
|
Keeper |
$15.40
|
1 |
|
usually ships 15-18 days |
5 |
228-4176
|
C channel |
$26.40
|
2 |
|
usually ships 15-18 days |
6 |
228-4212
|
Spotter handle rivet |
$8.80
|
4 |
|
ships same day |
7 |
228-4213
|
Washer 1/8 nylon |
$6.60
|
4 |
|
usually ships 15-18 days |
8 |
228-4214
|
Washer 1/16 |
$8.80
|
4 |
|
usually ships 15-18 days |
9 |
999-0412
|
Washer #8 SAE flat |
$0.99
|
5 |
|
ships same day |
10 |
228-4215
|
Screw allen head |
$6.60
|
4 |
|
usually ships 15-18 days |
12 |
228-4216
|
1 1/2 inch PVC slip thread |
$13.20
|
1 |
|
usually ships 15-18 days |
13 |
228-4217
|
Spotter hatch cover gasket |
$17.60
|
1 |
|
usually ships 15-18 days |
14 |
228-4104
|
1 1/2 inch stand pipe |
$13.20
|
1ft |
|
usually ships 15-18 days |
15 |
228-4058
|
Spotter cap and float assembly |
$39.60
|
1 |
|
ships same day |
16 |
228-4184
|
Screw |
$6.60
|
6 |
|
usually ships 15-18 days |
17 |
228-4229
|
3 gallon spotter handle (black) |
$30.80
|
1 |
|
usually ships 15-18 days |
18 |
228-4044
|
90 degree nylon barb |
$7.33
|
2 |
|
usually ships 15-18 days |
19 |
228-4082
|
Bulkhead fitting |
$19.80
|
1 |
|
usually ships 15-18 days |
20 |
228-4046
|
1/8 inch brass female coupler |
$11.00
|
1 |
|
usually ships 15-18 days |
21 |
228-4083
|
1/4 inch male quick disconnect |
$26.40
|
1 |
|
usually ships 15-18 days |
22 |
228-4048
|
Threaded hose (sold by the foot) |
$11.00
|
3ft |
|
usually ships 15-18 days |
23 |
228-4050
|
1/8 inch straight nylon barb |
$8.80
|
3 |
|
usually ships 15-18 days |
24 |
228-4167
|
Strainer |
$11.00
|
1 |
|
usually ships 15-18 days |
25 |
228-8024
|
55 PSI pump assembly |
$121.00
|
1 |
|
usually ships 15-18 days |
26 |
228-4221
|
Left hand bracket |
$19.80
|
1 |
|
usually ships 15-18 days |
27 |
228-4243
|
Oetiker clamp |
$8.80
|
4 |
|
usually ships 15-18 days |
28 |
228-4079
|
Roller blade wheel |
$20.16
|
2 |
|
usually ships 15-18 days |
29 |
228-4080
|
Wheel bolt |
$9.16
|
2 |
|
usually ships 15-18 days |
30 |
228-8012
|
Screw (for shoulder and waist belts 228-7021) |
$3.30
|
1 |
|
usually ships 15-18 days |
31 |
228-4022
|
Deflector screw |
$6.60
|
1 |
|
usually ships 1-5 days |
32 |
228-4244
|
Bottom base plate |
$30.80
|
1 |
|
usually ships 15-18 days |
33 |
228-4245
|
Screw |
$6.60
|
2 |
|
usually ships 15-18 days |
34 |
228-4020
|
Motor screw |
$6.60
|
2 |
|
usually ships 1-5 days |
35 |
228-4230
|
Screw 10-32 x 3/8 inch |
$6.60
|
2 |
|
usually ships 15-18 days |
36 |
228-4231
|
Motor mount plate |
$15.40
|
1 |
|
usually ships 15-18 days |
37 |
228-8036
|
Vacuum motor with gasket |
$259.60
|
1 |
|
usually ships 15-18 days |
38 |
228-8037
|
Stamped motor screen |
$8.80
|
1 |
|
usually ships 15-18 days |
39 |
228-4051
|
Motor gasket |
$11.00
|
1 |
|
ships same day |
40 |
228-4162
|
Strain relief nut |
$4.40
|
1 |
|
usually ships 15-18 days |
41 |
228-4233
|
Switch plate |
$13.20
|
1 |
|
usually ships 15-18 days |
42 |
228-4018
|
Pigtail cord with strain relief and nut |
$39.60
|
1 |
|
ships same day |
43 |
228-4232
|
Air mover cord |
$77.00
|
1 |
|
usually ships 15-18 days |
44 |
228-4002
|
Switch |
$16.50
|
2 |
|
usually ships 15-18 days |
45 |
228-4128
|
Latch |
$19.80
|
1 |
|
usually ships 15-18 days |
N/S |
228-4016
|
Complete hand tool internal solution |
$70.40
|
1 |
(included in 50-1000 and 50-3000) |
usually ships 15-18 days |
N/S |
228-4059
|
4 inch stainless steel hand tool |
$204.60
|
1 |
(included in 50-1001 and 50-3001) |
ships same day |