| # | Part | Description | Price | Req | Notes | Availability |
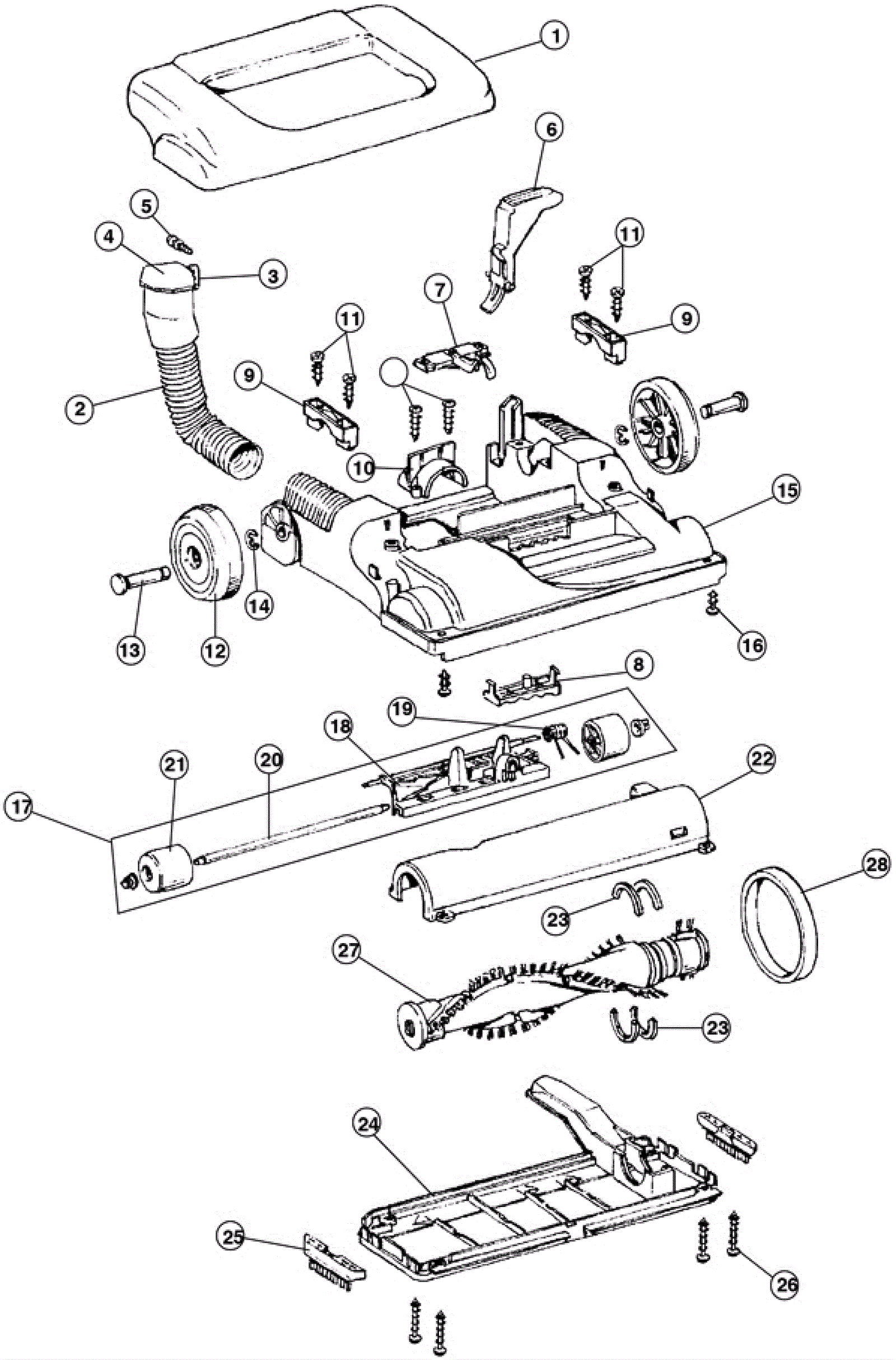
1 |
228-3227
|
Hood nozzle cover (orange) (OBSOLETE) |
Call for price
|
1 |
|
usually ships 10-16 days |
2 |
228-3228
|
Lower hose (OBSOLETE) |
$12.40
|
1 |
|
usually ships 10-16 days |
3 |
228-3229
|
Bracket |
$2.38
|
1 |
|
usually ships 10-16 days |
4 |
228-3230
|
Hose door (OBSOLETE) |
Call for price
|
1 |
|
usually ships 10-16 days |
5 |
228-3183
|
Screw self tapping |
$0.99
|
1 |
|
usually ships 10-16 days |
6 |
228-3231
|
Handle release lever |
$6.64
|
1 |
|
usually ships 10-16 days |
7 |
228-3232
|
Nozzle adjustment lever |
$5.02
|
1 |
|
usually ships 10-16 days |
8 |
228-3233
|
Nozzle adjustment cam |
$5.46
|
1 |
|
usually ships 10-16 days |
9 |
228-3234
|
Trunnion cover (OBSOLETE) |
Call for price
|
2 |
|
usually ships 10-16 days |
10 |
228-3235
|
Hose clamp |
$1.89
|
1 |
|
usually ships 10-16 days |
11 |
228-3201
|
Screw |
$1.01
|
4 |
|
usually ships 10-16 days |
12 |
228-3236
|
Rear wheel assembly |
$13.41
|
2 |
|
usually ships 10-16 days |
13 |
228-3237
|
Rear axle |
$5.50
|
2 |
|
usually ships 10-16 days |
14 |
228-3238
|
Lock ring (OBSOLETE) |
Call for price
|
2 |
|
usually ships 10-16 days |
15 |
228-3239
|
Main body nozzle base with guard |
$32.81
|
1 |
|
usually ships 10-16 days |
16 |
228-3205
|
Screw self tapping |
$0.99
|
2 |
|
usually ships 10-16 days |
17 |
228-3244
|
Front wheel assembly (OBSOLETE) |
$15.73
|
1 |
(includes 18-21) |
usually ships 10-16 days |
18 |
228-3241
|
Front wheel support (OBSOLETE) |
Call for price
|
1 |
|
usually ships 10-16 days |
19 |
228-3242
|
Torsion spring |
Call for price
|
1 |
|
usually ships 10-16 days |
20 |
228-3243
|
Wheel shaft |
$6.01
|
1 |
|
usually ships 10-16 days |
21 |
228-3244
|
Front wheel assembly (OBSOLETE) |
$15.73
|
1 |
|
usually ships 10-16 days |
22 |
228-3245
|
15 inch Brush roll housing (OBSOLETE) |
$16.92
|
1 |
|
usually ships 10-16 days |
23 |
228-3246
|
Agitator pulley seal |
$0.99
|
4 |
|
usually ships 10-16 days |
24 |
228-3247
|
Bottom plate nozzle guard (OBSOLETE) |
Call for price
|
1 |
|
usually ships 10-16 days |
26 |
228-3249
|
Screw (OBSOLETE) |
Call for price
|
4 |
|
usually ships 10-16 days |
27 |
228-3250
|
Agitator brush roll (OBSOLETE) |
$16.41
|
1 |
|
usually ships 10-16 days |
28a |
215-0032
|
Agitator belt |
$5.70
|
1 |
|
usually ships 10-16 days |
28b |
228-3251
|
Belt (pkg 2) |
$5.50
|
1 |
|
usually ships 10-16 days |