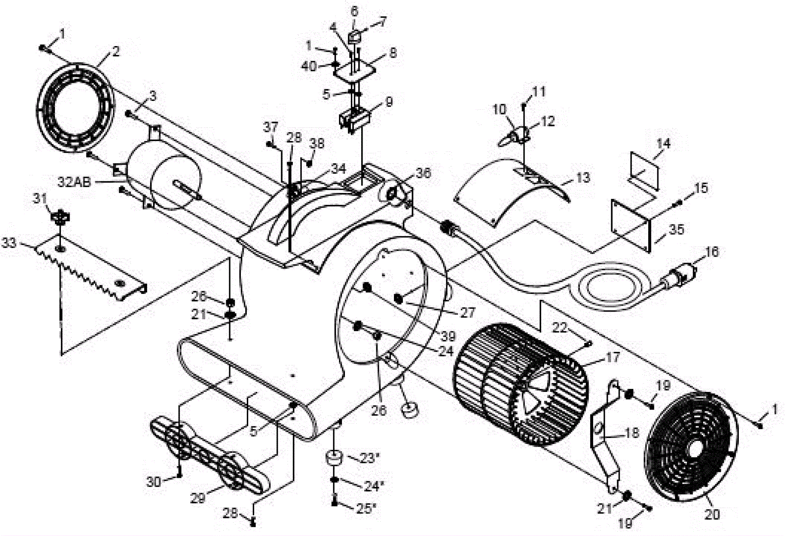
| # | Part | Description | Price | Req | Notes | Availability |
1 |
173-9567
|
Screw M4 x 15mm pan head |
$0.99
|
12 |
|
usually ships 11-15 days |
2 |
173-9568
|
9 inch guard |
$22.59
|
1 |
|
usually ships 11-15 days |
3 |
273-5418
|
Screw M6-1 x 16mm flat head |
$0.99
|
2 |
|
usually ships 1-5 days |
4 |
999-1423
|
Screw #8-32 x 1/4 pan head phillips stainless steel |
$0.99
|
2 |
|
ships same day |
5 |
173-9569
|
Washer M4 |
$0.99
|
7 |
|
usually ships 11-15 days |
6 |
173-9570
|
Switch knob (OBSOLETE) |
$7.15
|
1 |
|
usually ships 11-15 days |
7 |
173-9571
|
Screw M3-.5 x 8mm set |
$1.90
|
1 |
|
usually ships 11-15 days |
8 |
173-9572
|
Switch plate |
$5.53
|
1 |
|
usually ships 11-15 days |
9 |
173-9573
|
3 speed rotary switch |
$46.85
|
1 |
|
usually ships 11-15 days |
10 |
173-9574
|
Capacitor clamp |
$3.75
|
1 |
|
usually ships 11-15 days |
12 |
173-9576
|
Capacitor |
$68.86
|
1 |
|
usually ships 11-15 days |
13 |
173-9577
|
Inner plate |
$4.95
|
1 |
|
usually ships 1-5 days |
14 |
173-0806
|
Warning decal |
$4.07
|
1 |
|
usually ships 1-5 days |
15 |
173-9578
|
Rivet M3 x 12mm |
$0.99
|
4 |
|
usually ships 1-5 days |
16a |
173-9579
|
14/3 power cord 25 foot |
$130.65
|
1 |
(OEM) |
usually ships 11-15 days |
16b |
991-5005
|
14/3 replacement power cord 50 foot (yellow) |
$108.51
|
1 |
(NON-OEM) (does not include strain relief) |
ships same day |
17 |
227-0005
|
Squirrel cage fan |
$67.09
|
1 |
|
usually ships 11-15 days |
18 |
173-9580
|
Motor shaft bracket |
$12.00
|
1 |
|
ships same day |
19 |
173-9581
|
Screw M6-1 x 15mm pan head phillips |
$0.99
|
2 |
|
usually ships 11-15 days |
20 |
173-9582
|
10 inch guard |
$22.59
|
1 |
|
usually ships 11-15 days |
21 |
999-1261
|
Washer M6 flat stainless steel |
$0.99
|
4 |
|
ships same day |
22 |
999-1339
|
Screw M8-1.25 x 8mm set cup point |
$0.99
|
1 |
|
ships same day |
23 |
227-0006
|
Blower foot |
$0.99
|
4 |
(for model without handle) |
ships same day |
24 |
173-4743
|
Washer M6 pleated |
$3.45
|
8 |
(for model without handle) |
usually ships 1-5 days |
25 |
999-1591
|
Screw M6-1 x 20mm button head socket stainless steel |
$0.99
|
4 |
(for model without handle) |
ships same day |
26 |
999-0469
|
Nut M6-1 nylon insert lock zinc plated |
$1.32
|
6 |
|
ships same day |
27 |
273-5897
|
Washer M3 flat (OBSOLETE) |
$0.99
|
4 |
|
usually ships 1-5 days |
29 |
173-9587
|
Front guard |
$22.13
|
1 |
|
ships same day |
30 |
173-9588
|
Screw M6-1 x 40mm |
$2.83
|
2 |
|
usually ships 11-15 days |
31 |
173-9589
|
Knob |
$4.24
|
2 |
|
usually ships 11-15 days |
32b |
173-9590
|
115V 1HP 3 speed motor |
$507.29
|
1 |
|
ships same day |
33 |
173-9591
|
Clamp |
$5.50
|
1 |
|
usually ships 11-15 days |
34 |
173-1800
|
5/16 nylon clamp (OBSOLETE) |
$0.99
|
1 |
|
usually ships 11-15 days |
35 |
273-5421
|
Warning decal plate (OBSOLETE) |
$11.73
|
1 |
|
usually ships 1-5 days |
36 |
173-9592
|
Washer M18 star |
$1.98
|
1 |
|
usually ships 1-5 days |
37 |
173-9593
|
Rivet M5 x 20mm |
$1.32
|
1 |
|
usually ships 1-5 days |
38 |
173-9595
|
Washer M5 rivet backup |
$0.99
|
1 |
|
usually ships 1-5 days |
39 |
273-5422
|
Washer M4 rivet backup |
$0.99
|
4 |
|
usually ships 1-5 days |
40 |
273-5899
|
Washer M4 internal star lock zinc plated |
$1.69
|
4 |
|
ships same day |