NINJA Warrior 200PSI
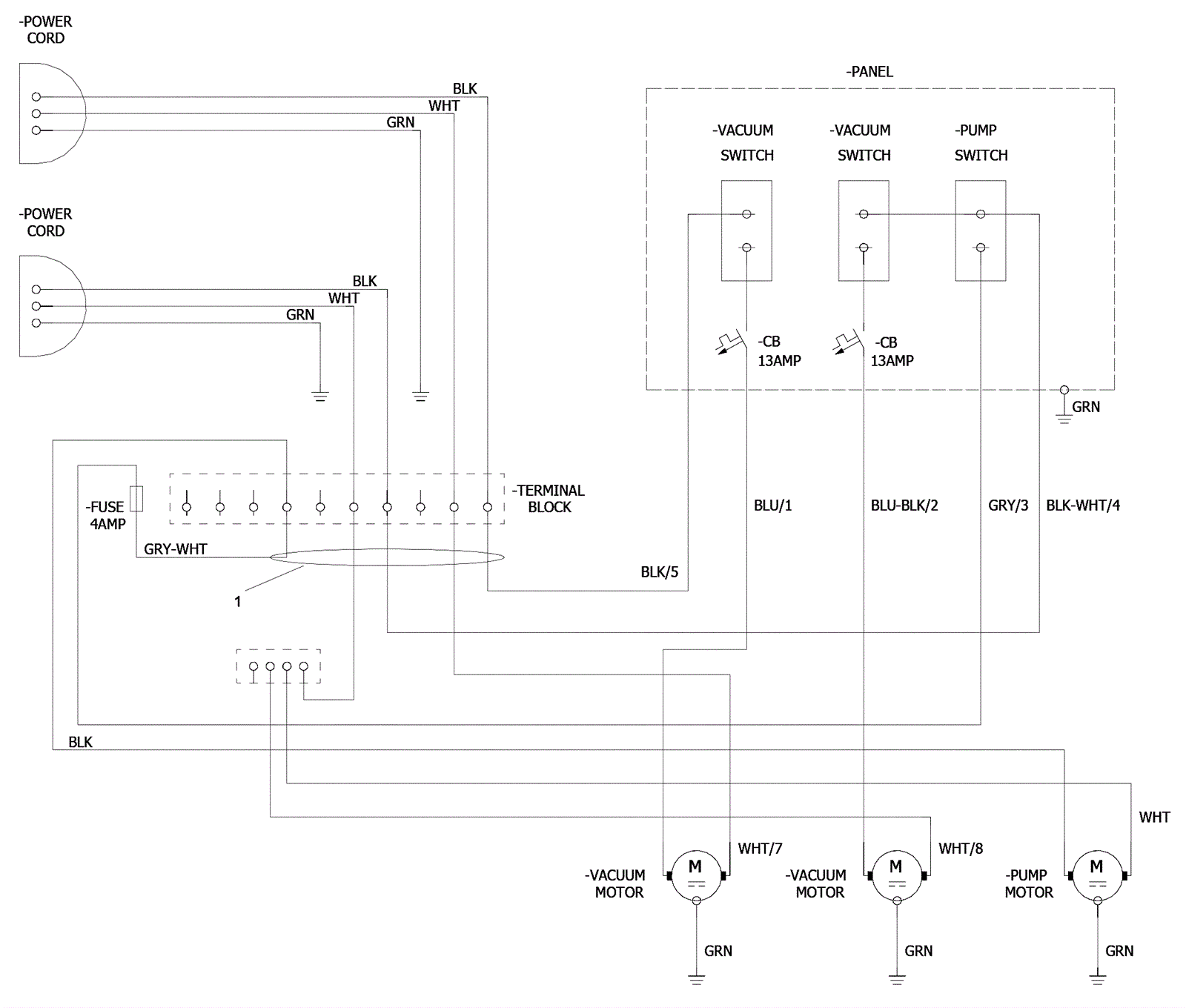
Wiring Assembly - 3 Stage Vacuum
Click to enlarge
#
Part
Description
Price
Req
Notes
Availability
1
273-3666
Dual cord harness kit
Call for price
1
usually ships 11-15 days