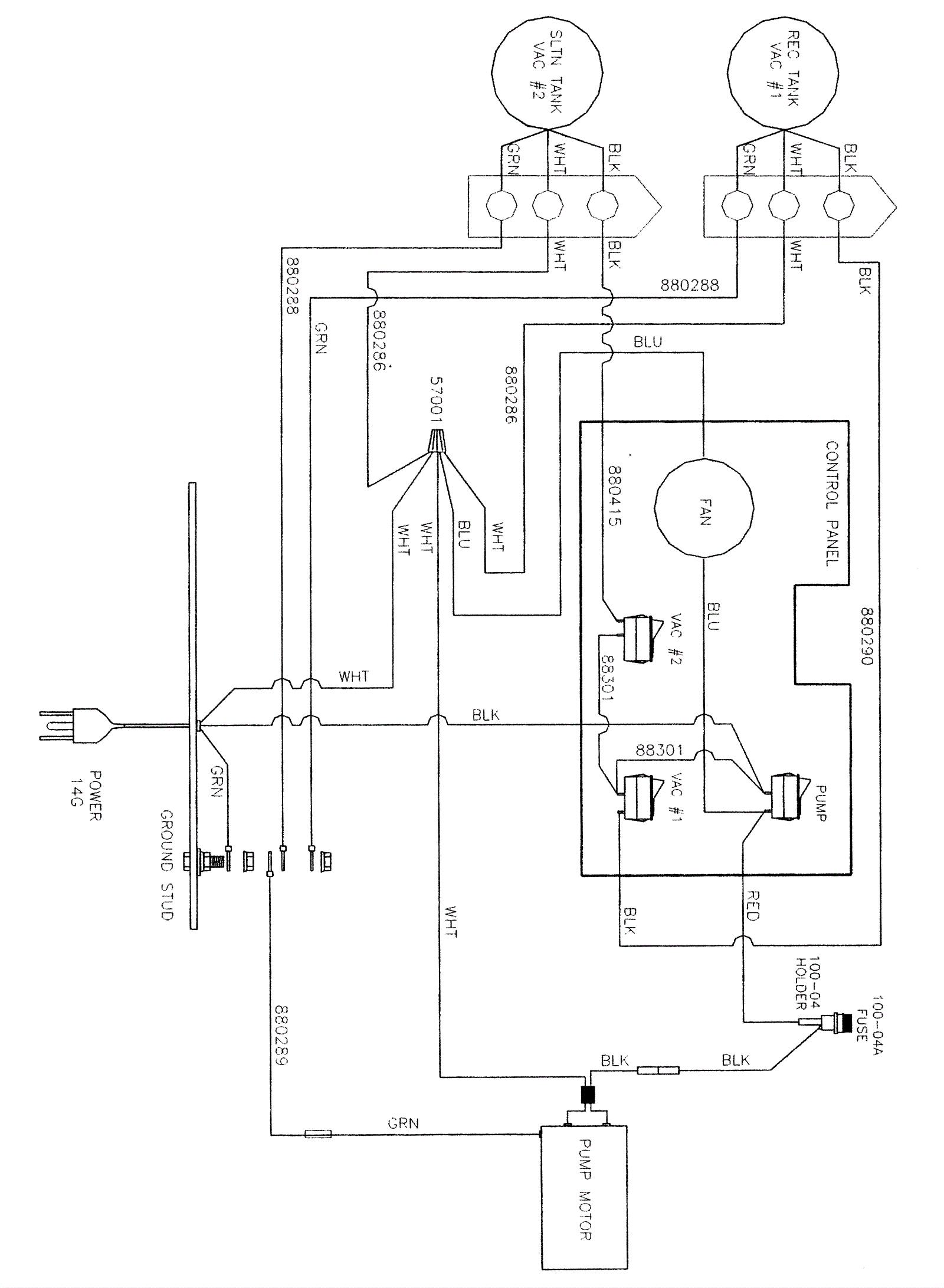
Wiring Diagram (200 PSI)
Click to enlarge