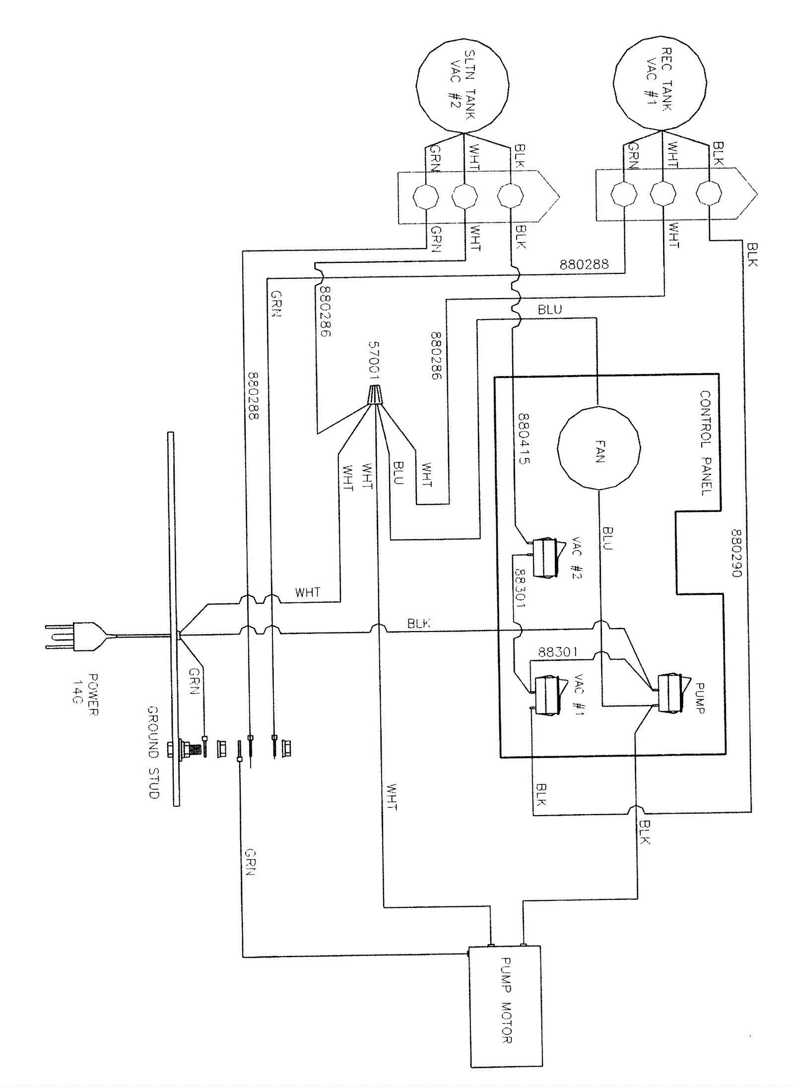
Wiring Diagram (100 PSI)
Click to enlarge