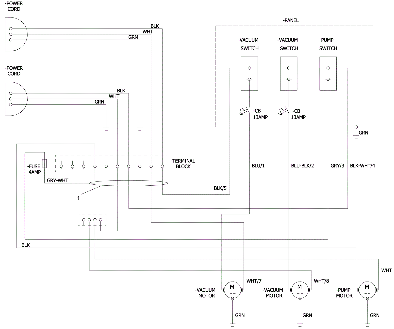
Wiring Diagram - 3 Stage Vacuum
Click to enlarge