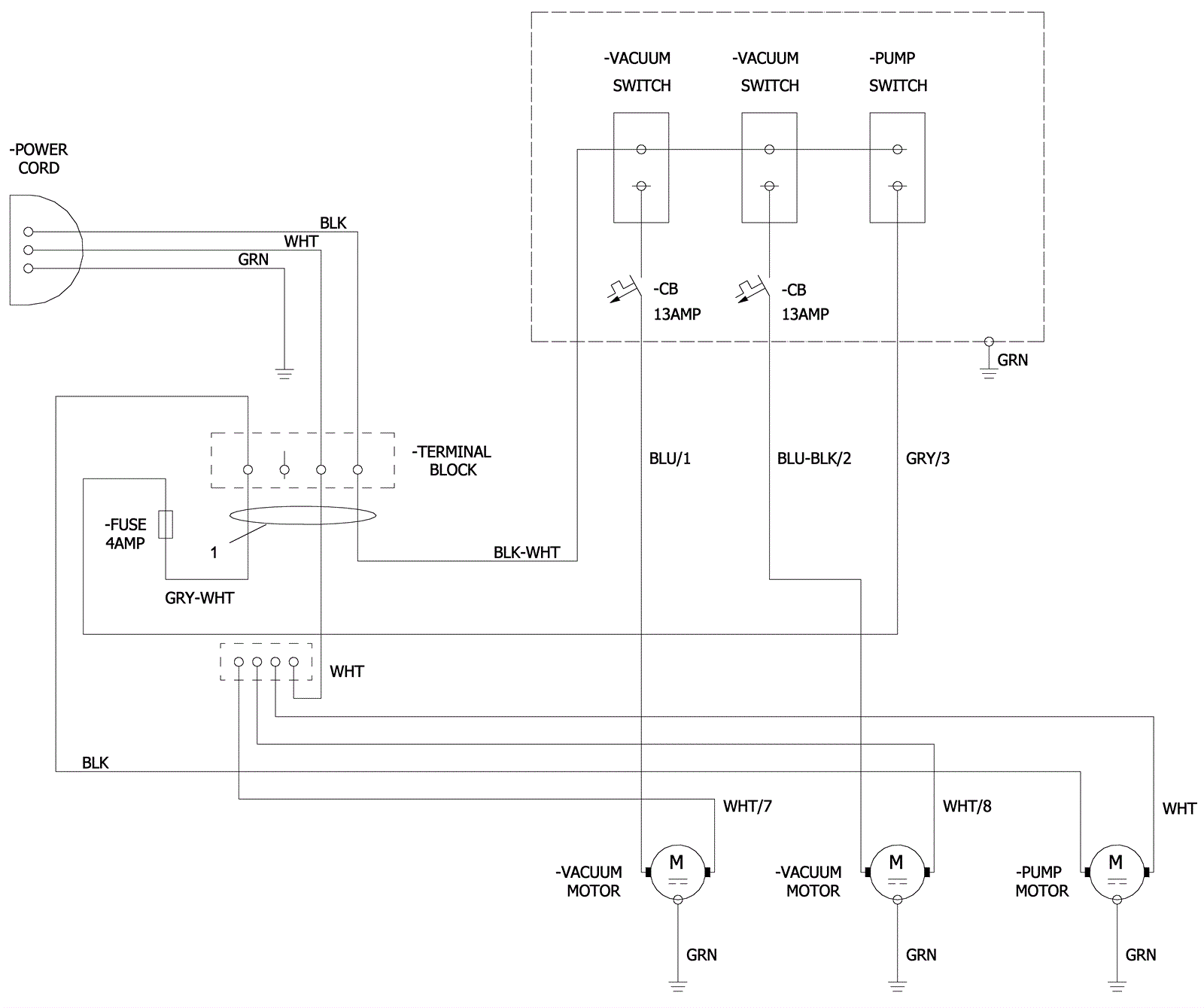
Wiring Diagram - 2 Stage Vacuum
Click to enlarge