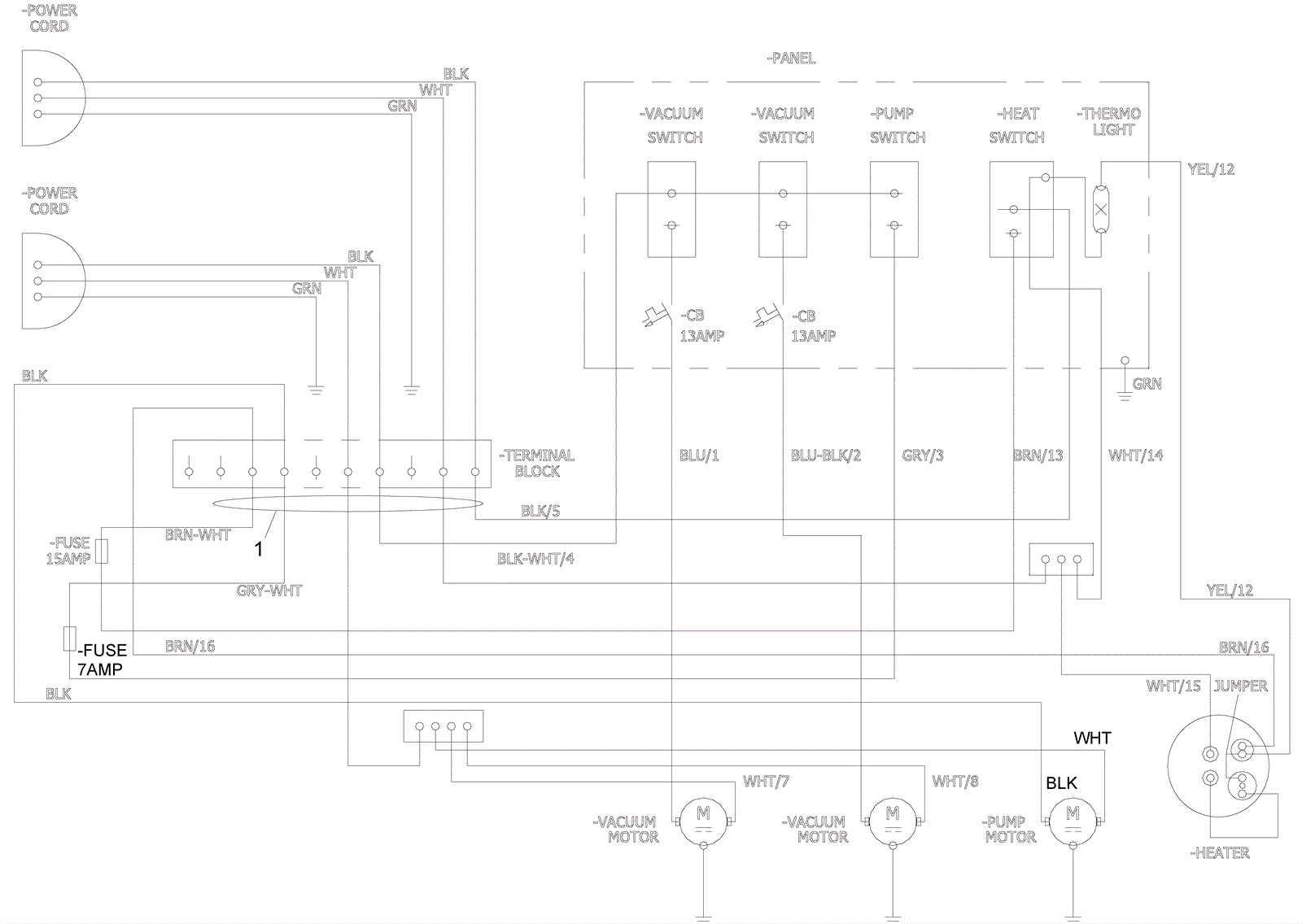
Wiring Diagram - Heated
Click to enlarge