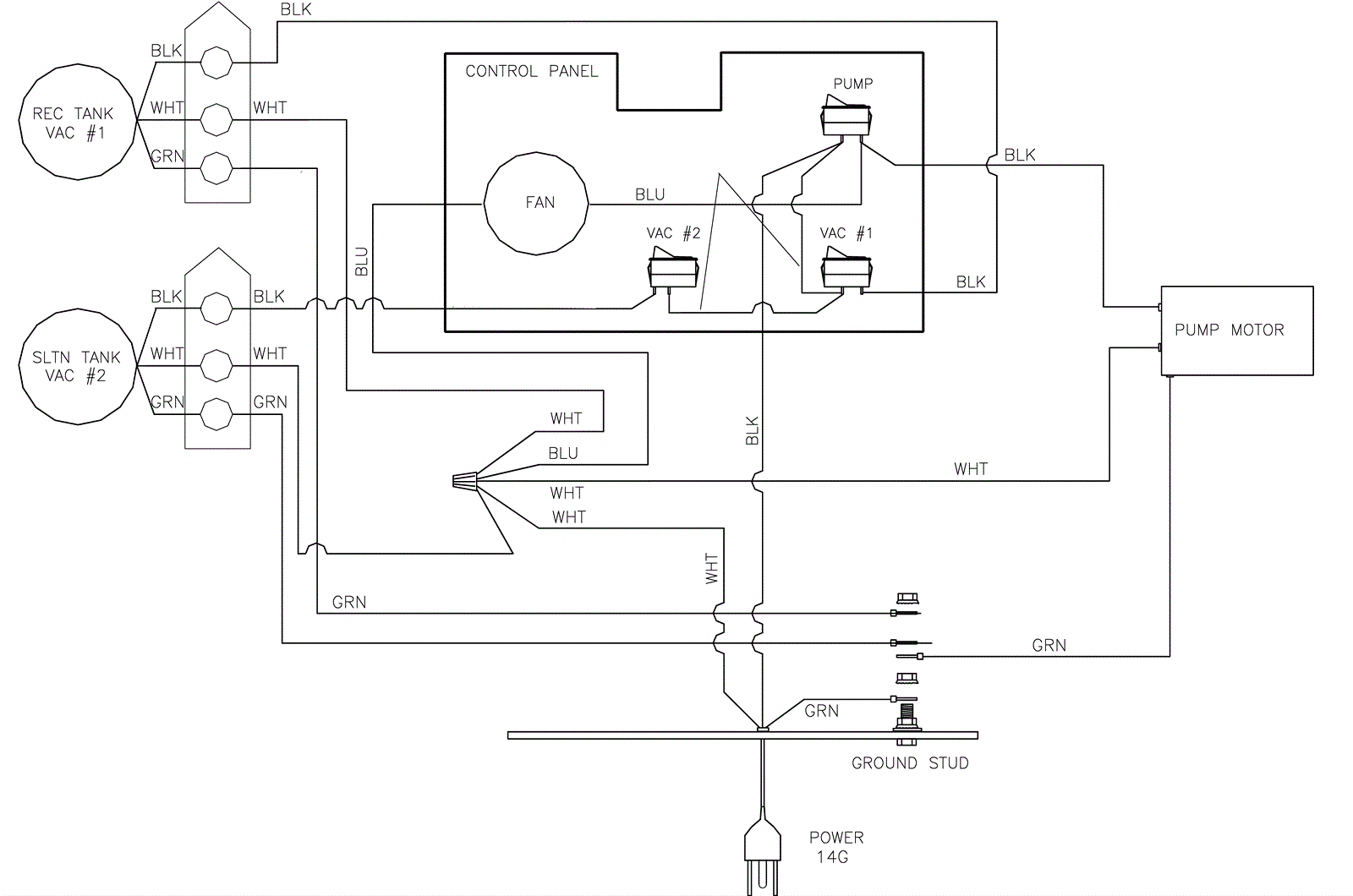
Wiring Diagram - 100PSI
Click to enlarge