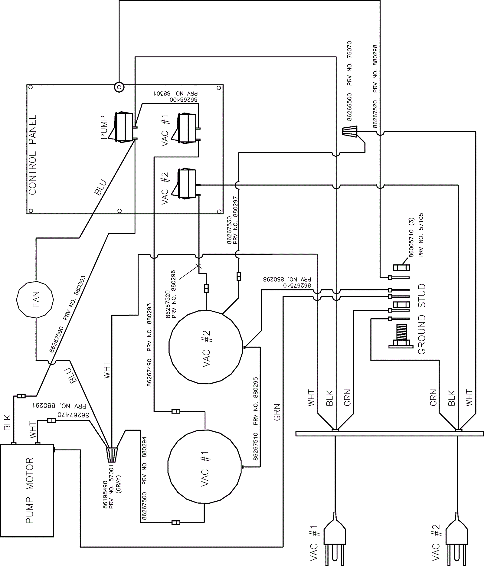
Wiring Diagram - 3 Stage
Click to enlarge