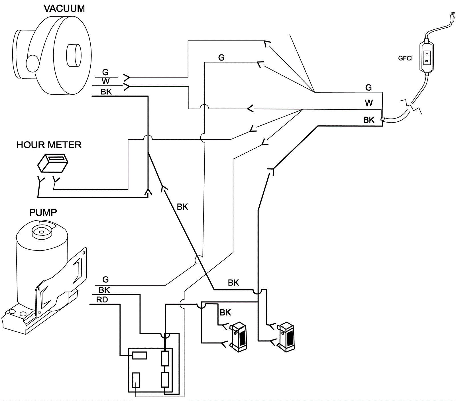
Wiring Diagram - Before SN 1034
Click to enlarge