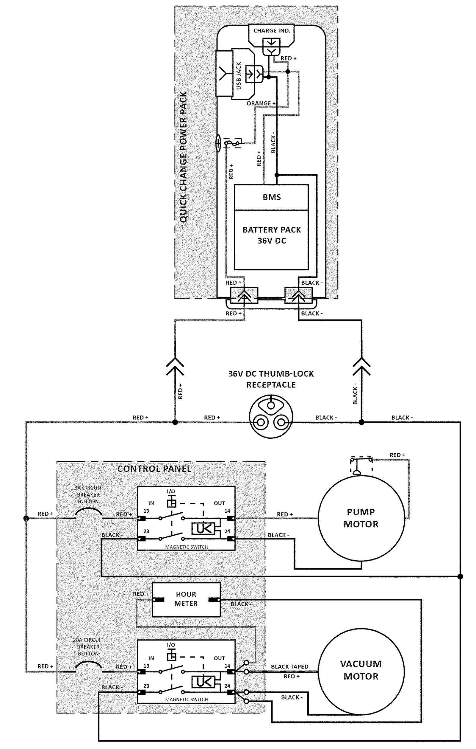
DC Electrical Diagram
Click to enlarge