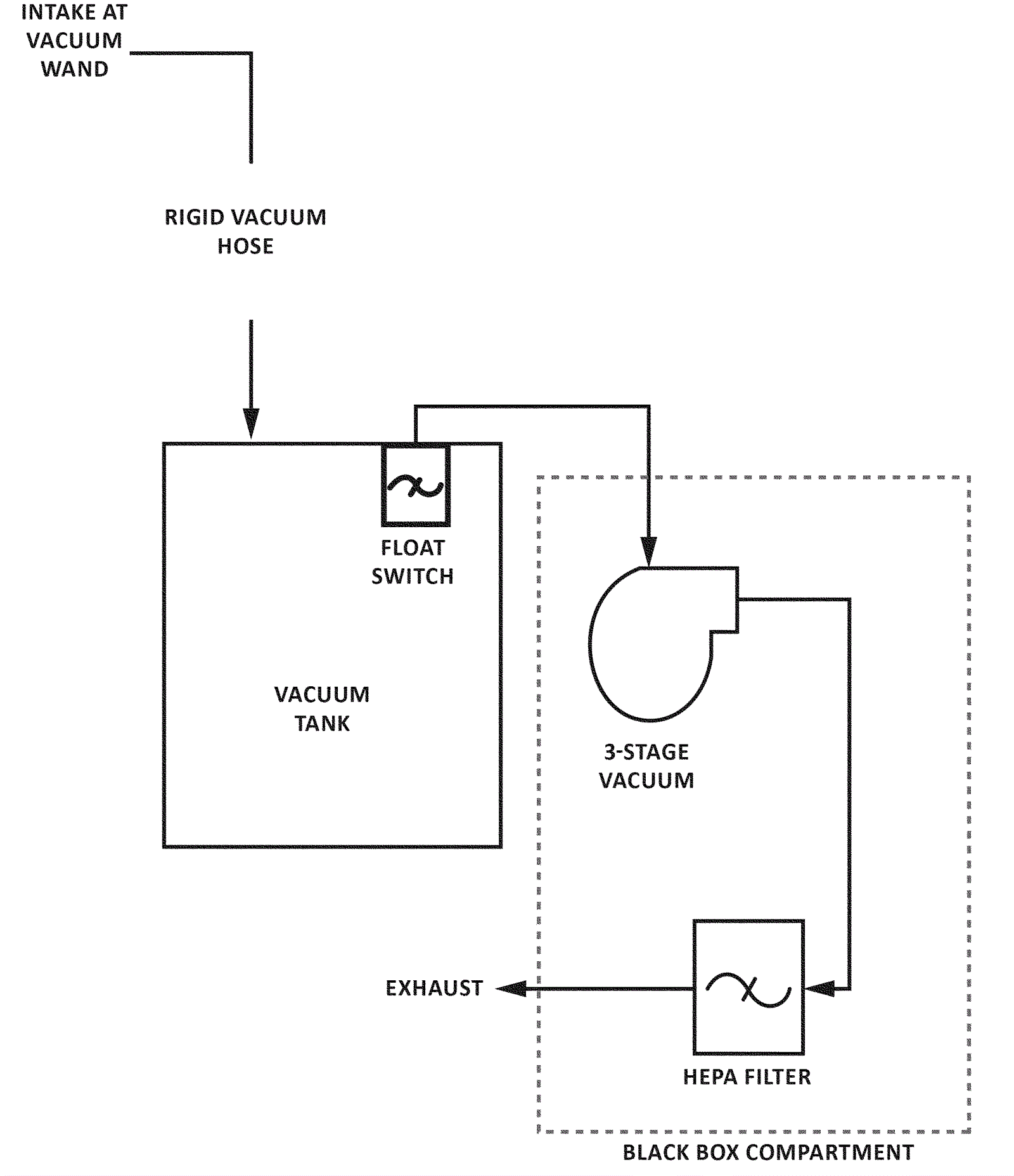
Vacuum Flow Diagram
Click to enlarge