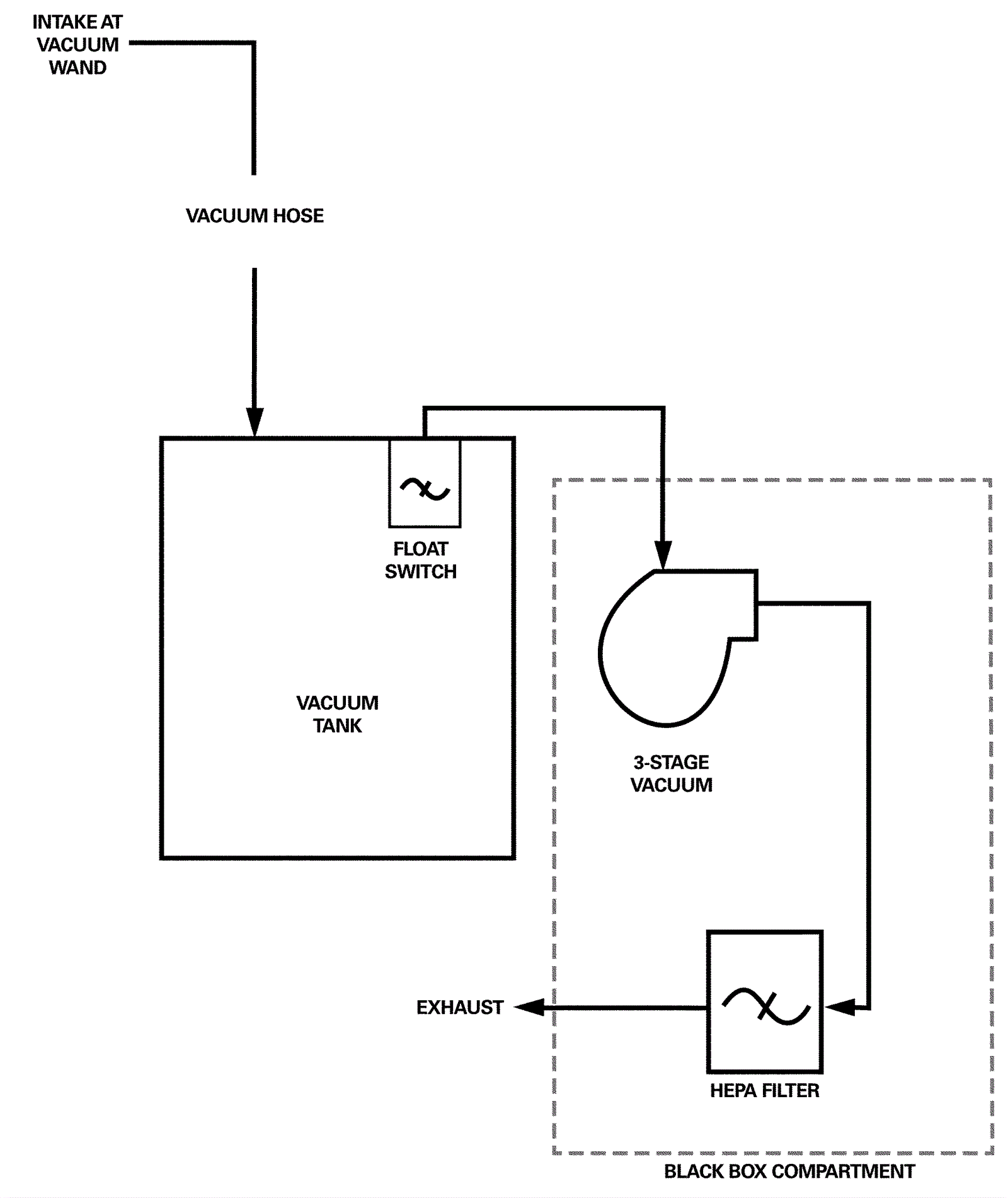
Vacuum Diagram
Click to enlarge