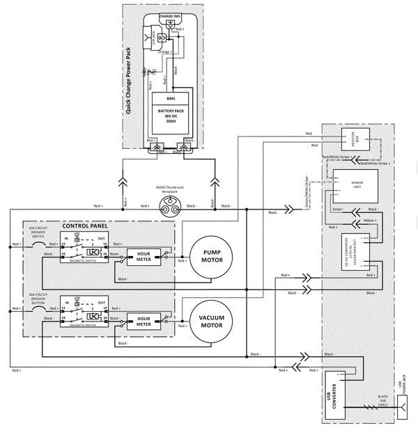
Quick Change Power Pack Electrical Diagram
Click to enlarge