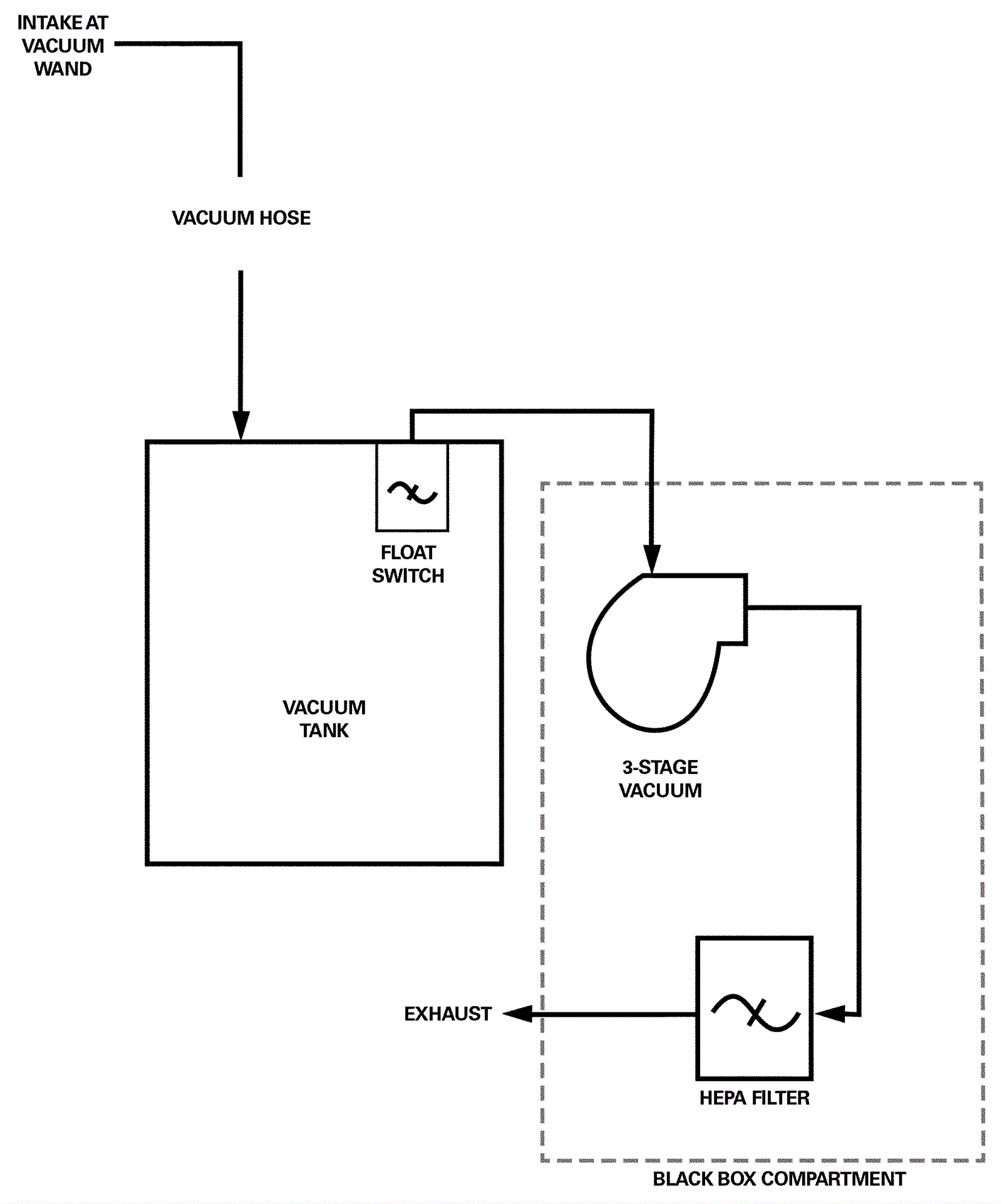
- Vacuum Flow Diagram
Click to enlarge