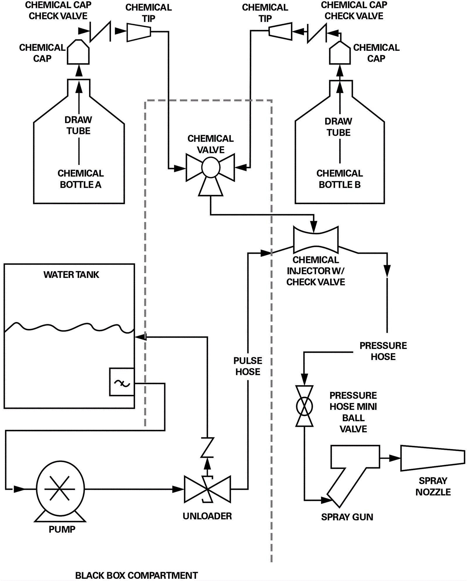
Pump Diagram
Click to enlarge