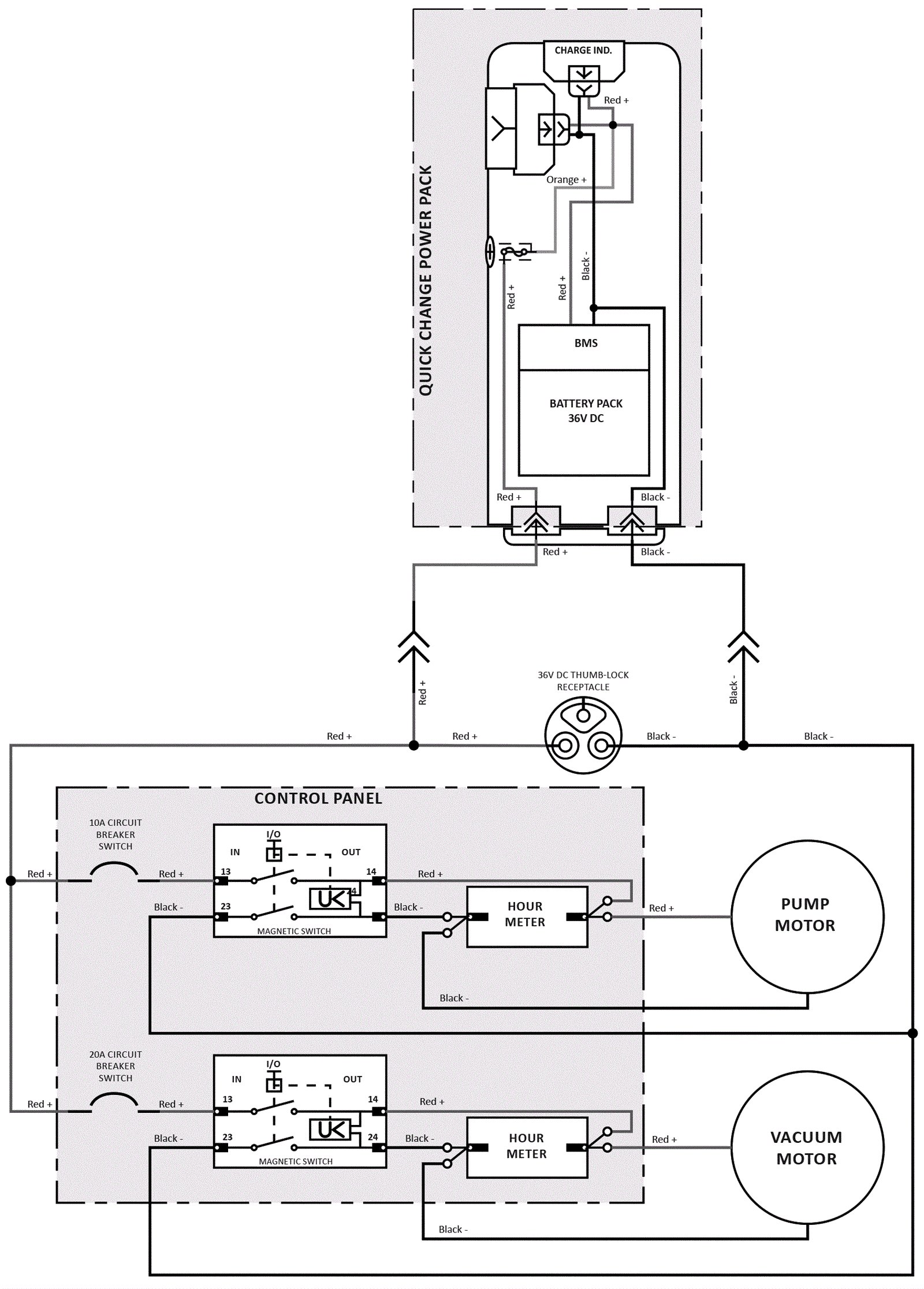
Quick Change Power Diagram
Click to enlarge