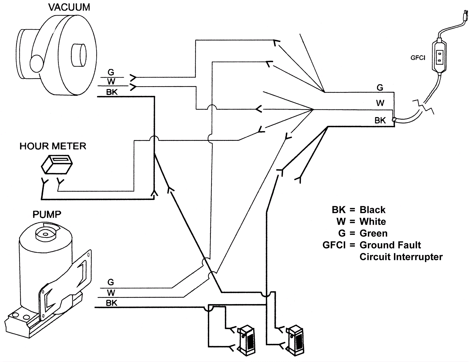
Wiring Diagram - Before SN 1257
Click to enlarge