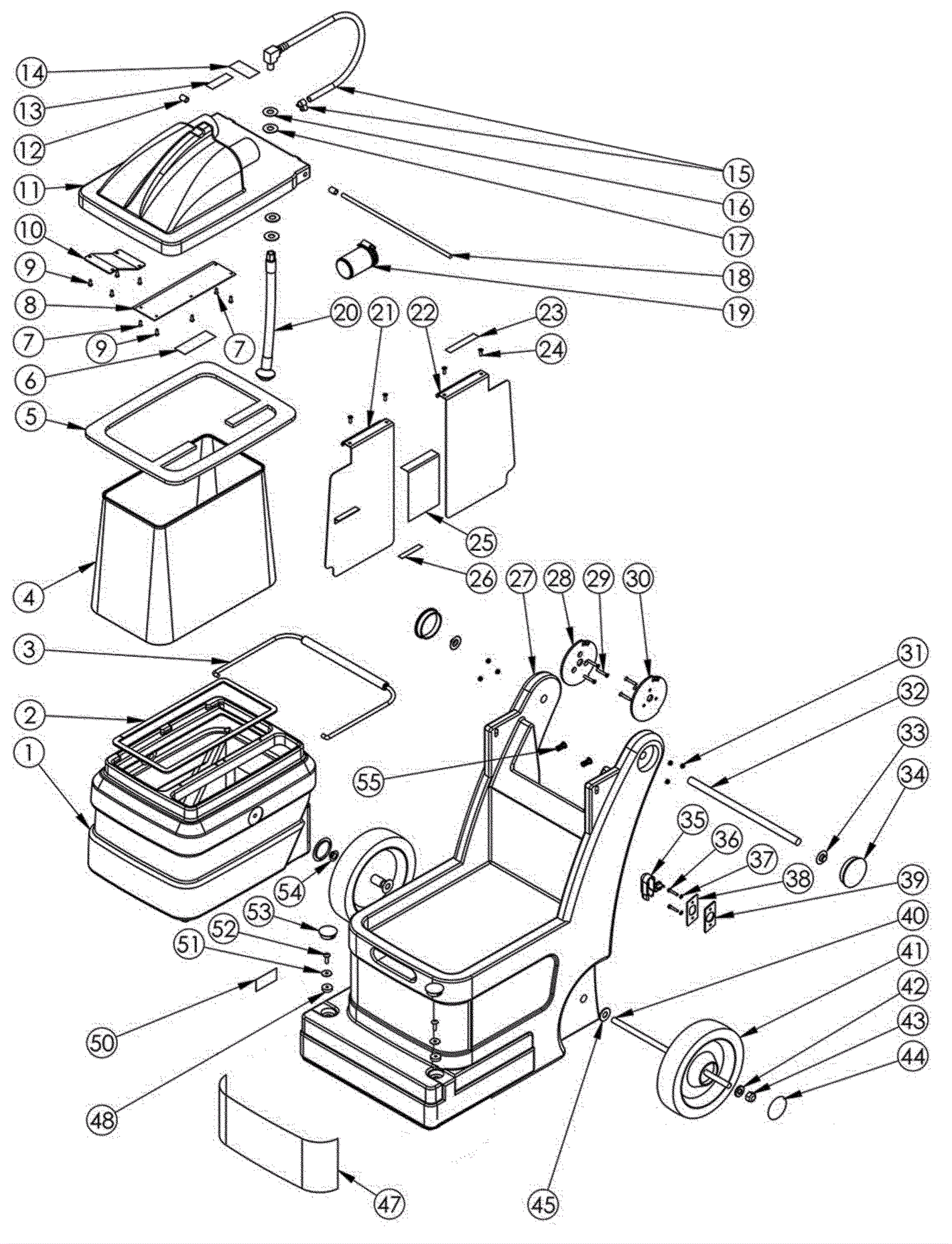
| # | Part | Description | Price | Req | Notes | Availability |
2 |
221-0575
|
Gasket |
$4.44
|
1 |
|
usually ships 16-20 days |
3 |
221-0576
|
Handle assembly |
$32.64
|
1 |
|
usually ships 16-20 days |
4 |
221-0443
|
Bladder assembly |
$39.53
|
1 |
|
usually ships 16-20 days |
5 |
221-0577
|
Gasket |
$21.62
|
1 |
|
usually ships 16-20 days |
6 |
221-0578
|
Keep filter screens decal |
$1.29
|
1 |
|
usually ships 16-20 days |
7 |
221-0579
|
Screw 6-32 x 3/8 stainless steel |
$1.09
|
2 |
|
usually ships 16-20 days |
8 |
221-0580
|
Lid plate |
$8.71
|
1 |
|
usually ships 16-20 days |
9 |
221-0581
|
Screw 6-32 x 3/8 inch |
$1.09
|
7 |
|
usually ships 16-20 days |
10 |
221-0582
|
Deflector plate |
$6.05
|
1 |
|
usually ships 16-20 days |
12 |
221-0583
|
Tube |
$1.09
|
2 |
|
usually ships 16-20 days |
13 |
221-0584
|
Patents decal |
$1.09
|
1 |
|
usually ships 16-20 days |
14 |
221-0585
|
Warning decal |
$1.11
|
1 |
|
usually ships 16-20 days |
15 |
221-0586
|
Hose assembly |
$36.59
|
1 |
|
usually ships 16-20 days |
16 |
221-0587
|
Washer |
$1.09
|
2 |
|
usually ships 16-20 days |
17 |
221-0588
|
Gasket |
$1.29
|
2 |
|
usually ships 16-20 days |
18 |
221-0589
|
Shaft |
$3.07
|
1 |
|
usually ships 16-20 days |
19 |
221-0590
|
Filter |
$48.04
|
1 |
|
ships same day |
20 |
221-0658
|
Hose assembly |
$53.61
|
1 |
|
usually ships 16-20 days |
21 |
221-0591
|
Front bucket divider plate |
$55.07
|
1 |
|
usually ships 16-20 days |
22 |
221-0592
|
Rear bucket divider plate |
$55.07
|
1 |
|
usually ships 16-20 days |
23 |
221-0593
|
Solution decal |
$1.29
|
1 |
|
usually ships 16-20 days |
24 |
999-0437
|
Screw 8-32 x 1/2 flat head phillips zinc plated |
$0.99
|
4 |
|
ships same day |
25 |
221-0594
|
Solution decal |
$1.76
|
1 |
|
usually ships 16-20 days |
26 |
221-0595
|
Fill level decal |
$1.09
|
1 |
|
usually ships 16-20 days |
28 |
221-0598
|
Handle locking disc |
$12.75
|
1 |
|
usually ships 16-20 days |
29 |
221-0597
|
Screw 8-32 x 1 inch |
$1.09
|
1 |
|
usually ships 16-20 days |
30 |
221-0598
|
Handle locking disc |
$12.75
|
6 |
|
usually ships 16-20 days |
31 |
999-0357
|
Nut 8-32 nylon insert lock stainless steel |
$0.99
|
1 |
|
ships same day |
32 |
221-0599
|
Handle tube |
$13.42
|
6 |
|
usually ships 16-20 days |
33 |
221-0248
|
Nut 1/2 inch |
$1.89
|
1 |
|
ships same day |
34 |
221-0600
|
Plug |
$1.25
|
2 |
|
usually ships 16-20 days |
35 |
221-0349
|
Strain relief |
$2.13
|
2 |
|
usually ships 1-5 days |
36 |
999-1109
|
Screw 6-32 x 3/4 pan head phillips stainless steel |
$0.99
|
1 |
|
ships same day |
37 |
221-0601
|
Washer |
$1.09
|
2 |
|
usually ships 16-20 days |
38 |
221-0602
|
Plate |
$2.50
|
2 |
|
usually ships 16-20 days |
39 |
221-0603
|
Gasket |
$1.17
|
2 |
|
usually ships 16-20 days |
41 |
221-0300
|
Wheel set of 2 with axle and hardware |
$83.93
|
1 |
|
usually ships 16-20 days |
42 |
221-0387
|
Washer 3/8 |
$1.09
|
2 |
|
usually ships 16-20 days |
43 |
221-0318
|
Locking nut |
$1.09
|
1 |
|
ships same day |
44 |
221-0604
|
Hub cap |
$2.64
|
1 |
|
usually ships 16-20 days |
45 |
221-0605
|
Washer |
$2.88
|
2 |
|
usually ships 16-20 days |
48 |
221-0608
|
Washer |
$1.09
|
2 |
|
usually ships 16-20 days |
50 |
221-0610
|
Caution decal |
$1.09
|
1 |
|
usually ships 16-20 days |
51 |
221-0611
|
Washer |
$1.09
|
2 |
|
usually ships 16-20 days |
52 |
221-0361
|
Screw 10-32 x 5/8 |
$1.09
|
2 |
|
usually ships 16-20 days |
53 |
221-0431
|
Plug |
$1.09
|
2 |
|
ships same day |
54 |
221-0612
|
Nut |
$1.09
|
1 |
|
usually ships 16-20 days |
55 |
221-0613
|
Nut |
$2.50
|
2 |
|
usually ships 16-20 days |