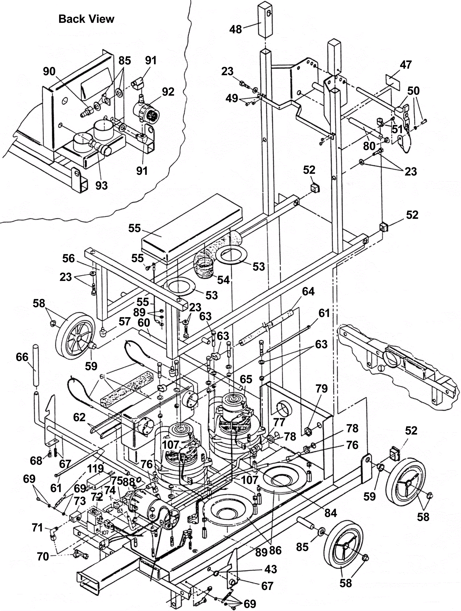
| # | Part | Description | Price | Req | Notes | Availability |
23 |
221-0073
|
Solution tank mounting kit (OBSOLETE) |
$6.05
|
1 |
|
usually ships 1-5 days |
43 |
221-0038
|
Washer 7/16 x 5/8 3/32 thick |
$1.09
|
4 |
|
usually ships 16-20 days |
47 |
221-0684
|
Decal kit (OBSOLETE) |
Call for price
|
1 |
(Supernova) |
usually ships 16-20 days |
48 |
221-0074
|
Pivot extension lid frame |
$7.38
|
2 |
|
usually ships 1-5 days |
49 |
221-0685
|
Bracket (OBSOLETE) |
Call for price
|
1 |
|
usually ships 16-20 days |
50 |
221-0076
|
Retaining pin assembly |
$46.42
|
1 |
|
usually ships 1-5 days |
51 |
221-0077
|
Cord clamp assembly |
$1.09
|
1 |
|
usually ships 1-5 days |
52 |
221-0078
|
End cap |
$1.53
|
4 |
|
usually ships 1-5 days |
53 |
221-0079
|
Cooling air duct gasket |
$3.41
|
2 |
|
usually ships 16-20 days |
54 |
221-0080
|
Exhaust hose 2 inch |
$7.14
|
1 |
|
usually ships 16-20 days |
55 |
221-0434
|
Steel cooling air duct |
$73.17
|
1 |
(250V vac) |
usually ships 1-5 days |
56 |
221-0686
|
Upper frame assembly |
$398.78
|
1 |
|
usually ships 16-20 days |
57 |
221-0687
|
Rubber foot (OBSOLETE) |
Call for price
|
2 |
|
usually ships 16-20 days |
58 |
221-0190
|
Wheel kit (2 wheels, 2 hub caps, 2 push caps) |
$98.51
|
1 |
|
usually ships 16-20 days |
59 |
203-5714
|
1/2 inch Nylon bushing |
$2.88
|
2 |
|
usually ships 11-14 days |
60 |
221-0475
|
Wheel axle |
$10.69
|
1 |
|
usually ships 16-20 days |
61 |
221-0476
|
Muffler assembly |
$91.39
|
1 |
|
usually ships 16-20 days |
62 |
221-0477
|
Muffler clip |
$12.84
|
2 |
|
usually ships 16-20 days |
63 |
221-0175
|
Vacuum motor mounting assembly (2 stage) |
$24.79
|
1 |
|
usually ships 1-5 days |
64 |
221-0089
|
Corrugated loom |
$1.45
|
1 |
|
usually ships 1-5 days |
65a |
221-0413
|
115V 2 stage vacuum motor |
$207.04
|
2 |
|
usually ships 16-20 days |
65b |
221-0956
|
240V 2 stage vacuum motor |
Call for price
|
2 |
|
usually ships 16-20 days |
66 |
221-0478
|
Latch handle cap (OBSOLETE) |
$1.09
|
1 |
|
usually ships 16-20 days |
67 |
221-0688
|
Handle latch assembly (OBSOLETE) |
Call for price
|
1 |
|
usually ships 16-20 days |
68 |
999-0432
|
Screw 1/4-20 x 1 1/4 pan head phillips zinc plated |
$0.99
|
1 |
|
ships same day |
69 |
221-0480
|
Latch handle spring assembly (OBSOLETE) |
$6.75
|
1 |
|
usually ships 16-20 days |
70 |
221-0689
|
Fitting |
$7.81
|
1 |
|
usually ships 16-20 days |
71 |
221-0091
|
90 degree elbow 1/8 mp x 1/4 c |
$5.23
|
1 |
|
usually ships 1-5 days |
72a |
221-0092
|
Solenoid 1/8 npt 115 volt |
$141.78
|
1 |
(115V vac) |
usually ships 16-20 days |
72b |
221-0436
|
Solenoid |
$90.94
|
1 |
(250V vac) |
usually ships 16-20 days |
73 |
221-0690
|
Fitting |
$6.09
|
1 |
|
usually ships 16-20 days |
74 |
221-0094
|
short nipple 1/8 npt |
$1.33
|
1 |
|
usually ships 1-5 days |
75a |
221-0095
|
3/8 npt reducer bushing (50 psi) |
$2.52
|
1 |
|
usually ships 1-5 days |
75b |
221-0178
|
Bushing reducer 1/4 npt (100 psi) |
$1.65
|
1 |
|
usually ships 16-20 days |
76a |
221-0096
|
90 degree elbow 3/8 mp x 1/4 c (50 psi) |
$11.11
|
1 |
|
usually ships 16-20 days |
76b |
221-0179
|
90 degree elbow 1/4 mp x 1/4 c (100 psi) |
$6.34
|
2 |
|
usually ships 1-5 days |
77 |
221-0482
|
Tube fitting |
$3.97
|
1 |
|
usually ships 16-20 days |
78 |
221-0097
|
Hex nut |
$2.90
|
2 |
|
usually ships 16-20 days |
79 |
221-0130
|
Lock nut |
$1.09
|
2 |
|
usually ships 1-5 days |
80 |
221-0098
|
Handle shaft assembly |
$10.67
|
1 |
|
usually ships 1-5 days |
83a |
221-0957
|
Copper tubing |
Call for price
|
1 |
(Polaris) |
usually ships 16-20 days |
83b |
221-0315
|
Copper tubing 1/4 x 25 7/8 inch |
$62.77
|
1 |
(Supernova) |
usually ships 1-5 days |
84 |
221-0691
|
Tube |
$58.44
|
1 |
|
usually ships 16-20 days |
85 |
203-5754
|
Nylon shoulder washer |
$1.63
|
5 |
|
usually ships 11-14 days |
86 |
221-0104
|
Vacuum motor gasket (OBSOLETE) |
$18.63
|
2 |
|
usually ships 16-20 days |
88a |
221-0105
|
Internal bypass 115 volt 50 psi pump |
$388.72
|
1 |
(115V 50PSI) |
usually ships 1-5 days |
88b |
221-0959
|
Pump 240V 50PSI |
Call for price
|
1 |
(240V 50PSI) |
usually ships 16-20 days |
88c |
221-0184
|
Pump 115 volt 100 psi |
$305.78
|
1 |
(115V 100PSI) |
usually ships 16-20 days |
88d |
221-0958
|
Pump 240V 100PSI |
Call for price
|
1 |
(240V 100PSI) |
usually ships 16-20 days |
89 |
221-0692
|
Lower frame assembly |
$893.15
|
1 |
|
usually ships 16-20 days |
90 |
221-0107
|
Adapter |
$4.80
|
1 |
|
usually ships 1-5 days |
91 |
221-0108
|
90 degree elbow |
$6.05
|
2 |
|
usually ships 16-20 days |
92 |
221-0109
|
In-line filter strainer |
$15.59
|
1 |
|
usually ships 16-20 days |
93 |
221-0112
|
Quick disconnect |
$16.56
|
1 |
|
usually ships 16-20 days |
107a |
221-0488
|
Cord assembly |
$1.09
|
1 |
(115V vac) |
usually ships 16-20 days |
107b |
221-0960
|
Cord assembly |
Call for price
|
1 |
(240V vac) |
usually ships 16-20 days |
119 |
221-0693
|
Filter assembly (OBSOLETE) |
Call for price
|
1 |
|
usually ships 16-20 days |