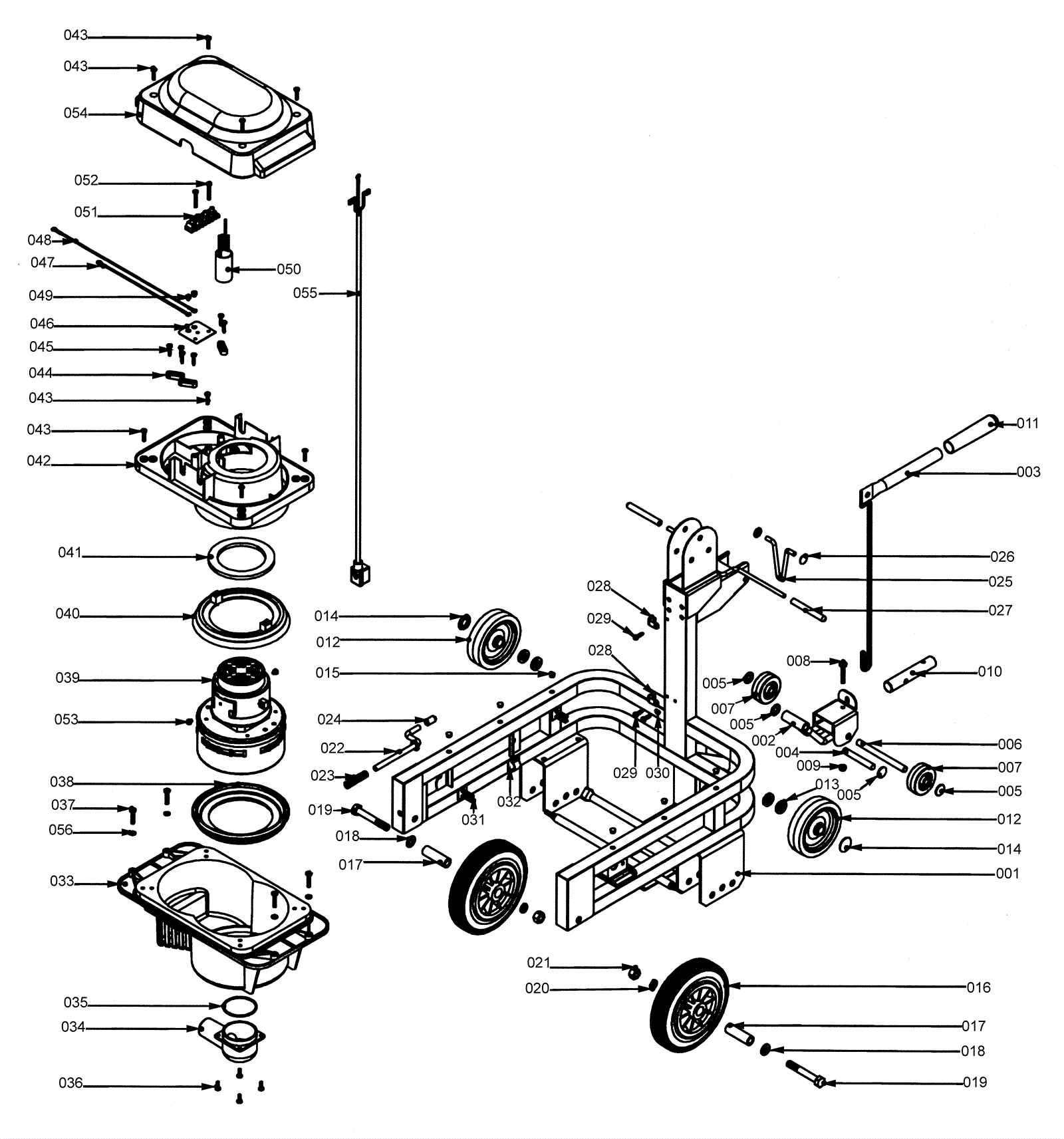
TT455
Chassis Assembly
Click to enlarge
#
Part
Description
Price
Req
Notes
Availability
N/S
220-0051
Squeegee vac hose
$133.76
1
Vacuum hose
usually ships 13-19 days
50
220-4954
Supressor
$86.70
1
usually ships 13-19 days