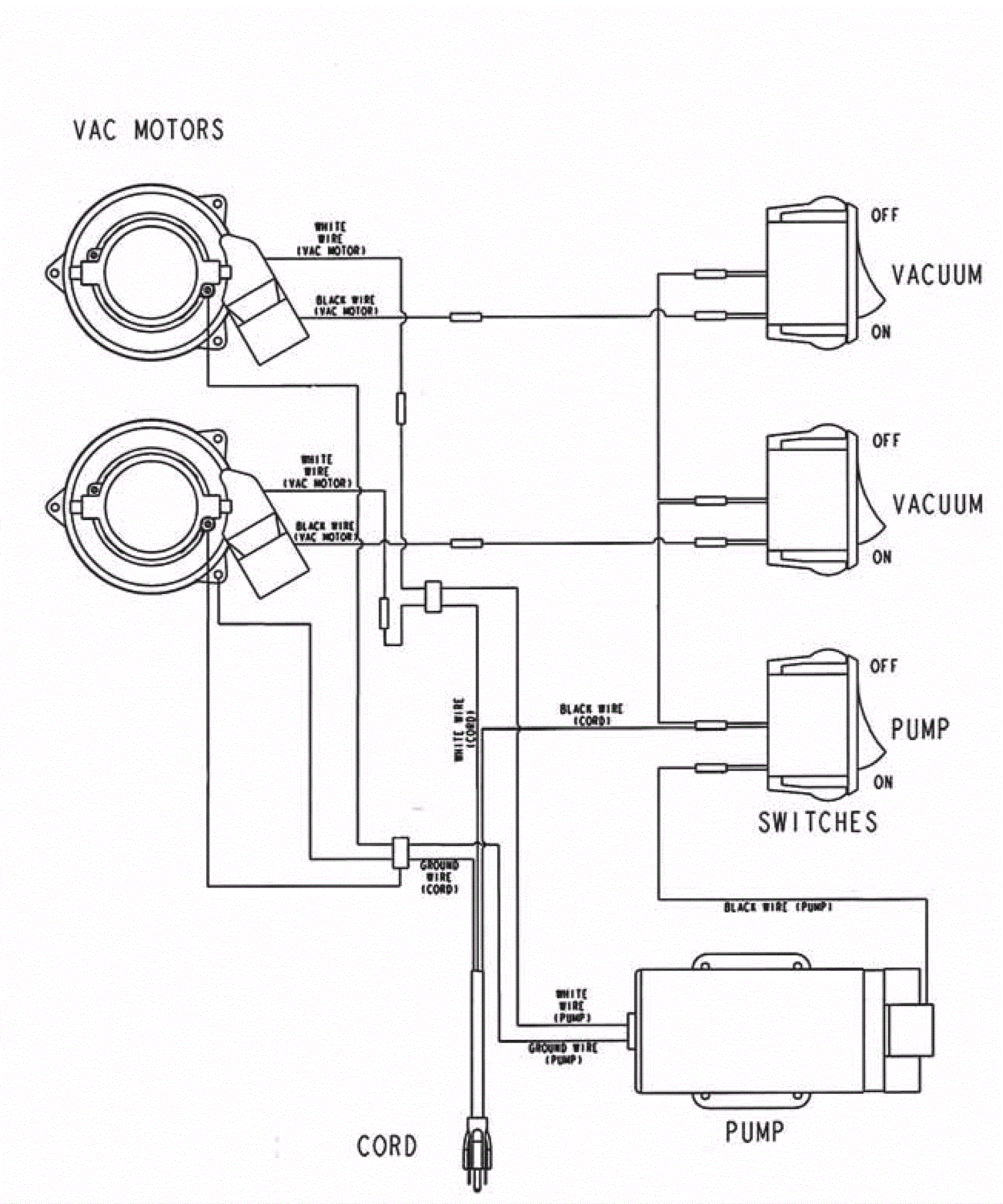
Wiring Diagram - No Heat
Click to enlarge