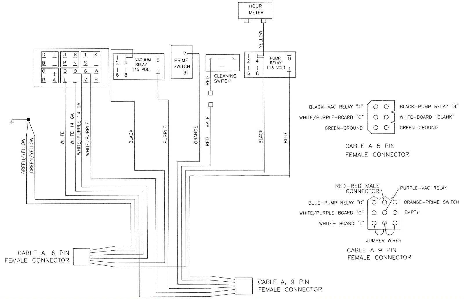
Wiring Diagram 7 - 115V
Click to enlarge