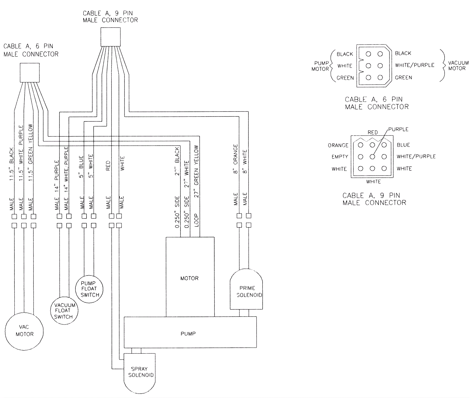
Wiring Diagram 2 - 115V
Click to enlarge